- •1. Прочитать чертеж, провести анализ на технологичность, выбрать установочные и измерительные базы.
- •Химический состав в % материала Сталь35
- •Разработка маршрута обработки
- •3. Подобрать режущий и мерительный инструмент.
- •4. Назначить режимы резания .
- •020 Токарная с пу
- •5. Показать на чертеже оси координат и ноль детали.
Государственное образовательное учреждение
Высшего профессионального образования
Пермский национальный исследовательский политехнический университет
Механико-технологический факультет
РАСЧЕТНО-ПОЯСНИТЕЛЬНАЯ
ЗАПИСКА
к дипломному проекту
По дисциплине «Технология машиностроения»
Выполнил студент группы ТАМП-11уск: Бизюкин А.Г
Проаерил: Караваев Д.М
Пермь, 2014
Введение
Цель курсового проектирования по технологии машиностроения - научиться правильно применять теоретические знания, полученные в процессе учебы, использовать свой практический опыт работы на машиностроительных предприятиях для решения профессиональных технологических и конструкторских задач.
К мероприятиям по разработке новых прогрессивных технологических процессов относится и автоматизация, на ее основе проектируется высокопроизводительное технологическое оборудование, осуществляющее рабочие и вспомогательные процессы без непосредственного участия человека.
В соответствии с этим решаются следующие задачи: Расширение, углубление, систематизация и закрепление теоретических знаний, и применение их для проектирования прогрессивных технологических процессов сборки изделий и изготовления деталей, включая проектирование средств технологического оснащения. Развитие и закрепление навыков ведения самостоятельной творческой инженерной работы. Овладение методикой теоретико-экспериментальных исследований технологических процессов механосборочного производства.
В курсовом проекте должна отображаться экономия затрат труда, материала, энергии. Решение этих вопросов возможно на основе наиболее полного использования возможностей прогрессивного технологического оборудования и оснастки, создания гибких технологий.Задание к курсовой работе
Чертеж детали
Провести технологическую подготовку производства для детали:
Прочитать чертеж, провести анализ на технологичность, выбрать установочные и измерительные базы.
Разработать маршрут обработки.
3. Подобрать режущий и мерительный инструмет.
4. Назначить режимы резания.
5. Показать на чертеже оси координат и ноль детали.
6. Разработать операционный техпроцесс обработки детали.
7. Рассчитать опорные точки.
8. Разработать управляющую программу.
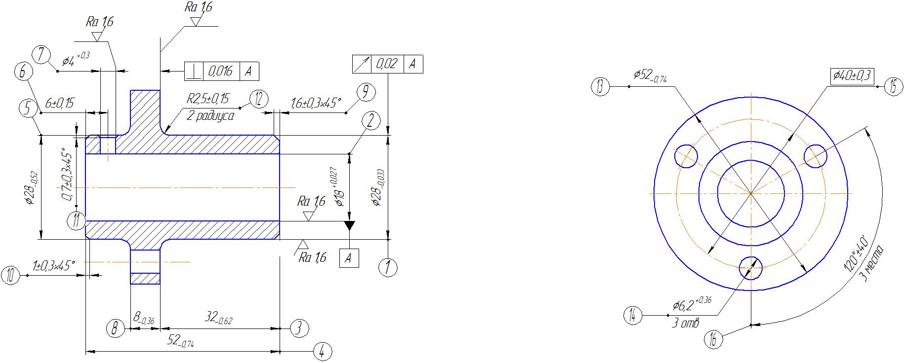
1. Прочитать чертеж, провести анализ на технологичность, выбрать установочные и измерительные базы.
Втулка верхняя изготавливается из конструкционной углеродистой стали 45.
Деталь мелкоразмерная и имеет габариты :
Пруток Ø 52
Общая длина 52
В технических требованиях есть два пункта
H14;h14;±t2/2.
Покрытие: Хим.Окс.прм
Также на чертеже указана шероховатость для всей поверхностей Rz20,
на отделенных поверхностях имеется 6 класс частоты Rz 2,5 , также на отдельных поверхностях установлены допуска формы и расположения.
Деталь имеет хорошие базовые поверхности .
Имеется возможность соблюдения принципа совмещения конструкторских и технологических баз .
Обеспечение нужной шероховатости возможно стандартными режимами обработки и унифицированным инструментом.
Выбираем материал заготовки Сталь 45 ГОСТ 1050-88 так как данная сталь обладает всеми эксплуатационными характеристиками и механическими свойствами для работы данной детали в конструкции.
Характеристики Стали 45 ГОСТ 1050-88
Сталь конструкционная углеродистая качественная. Применяется для изготовленная деталей: вал-шестерня, коленчатых и распределительный валов, шестерни, шпинделя, бандажи, цилиндры, кулачки и другие нормализованные, улучшаемые и подвергаемые поверхностной термообработки детали, от которых требуется повышенная прочность .
Химический состав в % материала Сталь35
C |
Si |
Mn |
Ni |
S |
P |
Cr |
Cu |
As |
0.42-0.5 |
0.17-0.37 |
0.5-0.8 |
<0.25 |
<0.04 |
<0.035 |
<0.25 |
<0.25 |
<0.08 |
Коэффициент точности обработки.
Где А –средний квалитет поверхностей детали
где n
– количество поверхностей с i
квалитетом:
JTi – квалитет
9*14
А= 9 =14
1
Кто=1-14 = 0,928
Коэффициент средней шероховатости поверхности детали.
20*9
Ra= 9 = 20
1
Ктш = 1- 20 = 0,95
C учетом вышесказанного и подсчитанных коэффициентов конструкция детали является технологичной.
Разработка маршрута обработки
Тип производства данного изделия мелкосерийный, поэтому заготовку выбираем пруток Ø55 длиной 59 мм Сталь 45 ГОСТ 1050-88
Разработка технологического маршрута обработки поверхностей
№ опер |
Наименование операции |
Ra |
Наименование перехода |
Технологическое оборудование |
005 |
Заготовительная
|
|
Установить и закрепить заготовку. Отрезать заготовку 59 мм |
Станок ленто-отрезной |
010 |
Токарная |
Rа3,2
Ra1.6
|
1.Зацентровка 2.Сверление Ø16+0,2 на 18мм 3)повторяем 2 позицию еще 2 раза. 4)Зенкерование Ø16+0,027мм. 5)развернуть черн. Ø17+0,027 6)Развернуть чист. Ø18+0,027 мм 7)Обработка поверх. 1,2 и 3,4 черновая Ø29-0,033 и 33-0,36мм 8) Обработка поверх.1, 2 и 3,4 чистовая. Ø28-0,033 и 32-0,36мм 9)Обработка поверх. 3,4 и 5 черновая 54,5-0,74мм 10)Обработка поверх. 3,4 и 5 чист. 54-0,74мм 11)Снять деталь. |
Токарный с ПУ 1B340. |
015 |
Токарная |
Rа3,2
|
1. Обработать пов. 1,2 и 3,4 черновая Ø29-0,3 ; 21-0,38; 8-0,36; Ø53-0,46 мм 2. Обработать пов. 1,2 и 3,4 чистовая Ø28-0,3 ; 20-0,38; 8-0,36;Ø53-0,46 мм 3. Снимаем деталь |
Токарный с ПУ 1B340. |
020 |
Сверлильная |
Rz80
|
1. Центровка отверстия 1 выд. Размеры 2, 3 2.Сверление Ø6,2+0,36 мм Б. переустановить деталь на 120° 3)Повторяем работы по переходам 1,2 для остальных 2 отв.
|
Настольно сверлильный станок 2М112 |
025 |
Сверлильная |
Rа1,6 |
1.Центровка отверстия 1 и 2. 2.Сверлить отв Ø4+0,3 мм 3)Развертывание Ø4 +0,3мм 4)Снять деталь
|
Настольно сверлильный станок 2М112 |
030
|
Слесарная |
Rа3,2 Ra1.6 |
1. Острые кромки притупить фаской 0,3х450 2. Зачистить заход и выход резьбы. |
Верстак |
035 |
Контроль |
Rа3,2 Ra1.6 |
Проверить: Размеры и шероховатость соответствует требованию чертежа. |
Контрольный стол |
040 |
Покрытие |
|
Покрыть деталь Хим.Окс.прм |
|
045 |
Упаковка |
|
|
|
