- •Электрическая принципиальная схема амплитудного детектора на диоде.
- •5. Балансный частотный детектор.
- •6.Электрическая структурная схема фазового детектора.
- •7. Однотактный фазовый детектор.
- •8.Балансный фазовый детектор.
- •11. Детектирование фазо-манипулированных сигналов.
- •25. Rc автогенератор с мостом Вина
- •24. Rc автогенератор с фазобалансной цепью
- •13. Детектирование сигналов офм (метод сравнения полярностей).
- •15. Структурная схема автогенератора.
- •17. Мягкий режим самовозбуждения.
- •18. Жесткий режим самовозбуждения.
- •20. Обобщенная структурная схема lc-автогенератора.
- •31. Амплитудно-частотные искажения в каналах электросвязи.
- •26. Релаксационный генератор (симметричный автоколебательный мультивибатор).
- •28. Характеристики каналов электросвязи.
Электрическая принципиальная схема амплитудного детектора на диоде.
Ко входу схемы детектора подводится АМ-сигнал. Данный сигнал воздействует на нелинейный элемент VD1. Поскольку VD1 обладает свойством односторонней проводимости , то ток ig(t) имеет импульсную форму. Для того, что бы выделить из спектра тока полезную НЧ составляющую , то на выход схемы включается фильтр ФНЧ, собранный на R1C1. Конденсатор С2 не пропускает постоянную составляющую. Таким образом, на выходе схемы формируется сигнал U(t).
2.квадратичное
и линейное детектирование. Синхронный
детектор АМ-сигналов.
Линейный
режим детектирования.
Возникает в схеме, если огибающая
АМ-сигнала воздействует на линейную
часть ВАХ диода, то это характерно для
сильного сигнала, то есть большой
амплитуды. При этом амплитуда импульсов
тока изменяется прямо-пропорционально
сигнальным значениям АМ-сигнала.
Нелинейные искажения отсутствуют.
Квадратичный
режим детектирования.
Возникает в том случае, если огибающая
АМ-сигнала воздействует на нелинейный
участок плат – режим слабого сигнала.
В этом случае, амплитуда импульсов тока
диода не изменяется прямо-пропорционально
мгновенным значения модулированного
сигнала, то есть возникает нелинейное
искажение. Таким образом, в схеме
устанавливается линейный режим.
3.
Электрическая структурная схема
частотного детектора.
ЧМ –сигнал проходя по каналу связи подвергается влиянию помех. Помеха, как правило, оказывает влияние на амплитудный сигнал, что приводит к возникновению пораженной амплитудной модуляции. Для устранения этого явления в схемы включают Амплитудный Ограничитель. Сигнал на выходе АО имеет постоянную амплитуду.
В преобразователе (ПР) ЧМ преобразуется в амплитудно-частотно модулированный. Данный процесс осуществляется в параллельном колебательном контуре LC растроек, относительно несущей. С увеличением частоты , падения напряжений на контуре возрастает , в противном случае – уменьшается. Таким образом, сигнал , снимаемый с контура Uk(t) модулированный по двум параметрам: амплитуде и частоте- АЧМ-сигнал.
В амплитудном детектору АЧМ-сигнал преобразуется в модулирующее напряжение U(t).
4.Однотактная
схема частотного детектора.
данная
схема проста в реализации, но имеет
существенный недостаток . в силу
нелинейной и детекторной характеристики,
процесс детектирования сопровождается
нелинейным искажением.
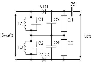
5. Балансный частотный детектор.
Для устранения нелинейных искажений используют балансную (двухтактную) схему частотного детектора. В этом детекторе оба колебательных контура взаимно расстроены относительно несущей частоты и имеют различные резонансные частоты. В результате получаем характеристику в, в которой имеется линейный участок между резонансными частотами ?рез1 и ?рез2, который и используется для детектирования. Детекторная характеристика детектора балансного детектора .
