Курсовой проект по предмету Микросхемотехника цис
Содержание:
Задание на курсовой проект ………………………………………………3
Описание работы разрабатываемого устройства………………………...4
Преобразование функциональной схемы…………………………………5
Анализ работы триггера……………………………………………………6
Предварительный анализ работы устройства…………………………….7
Топологическое проектирование………………………………………….8
Окончательный анализ работы устройства………………………………13
Вывод………………………………………………………………………..15
Литература…………………………………………………………………..16
1. Задание на курсовой проект
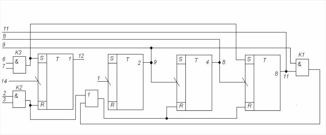
С
хема
устройства – делитель на 5 на D-C(D-V)
– триггере
Рис 1. Схема устройства.
Параметры:
Технологический базис: CMOS 0.35mkm - 5 Metal.
Uпорn = 0.6В
Uпорp = -0.6В
K0n = 200 мкА/В2
K0p = 52 мкА/В2
Uип=3.5В
tфр=tср=1нс
=100МГц
Сн=0.1пФ
2. Описание работы устройства
Основными
типами последовательных функциональных
узлов являются регистры, счетчики и
генераторы кодов. Счетчиком называется
узел, на выходах которого образуется
число, соответствующее количеству
поступивших на вход импульсов. Основным
параметром счетчика является модуль
счета Kc – максимальное
число импульсов, которое может быть
сосчитано счетчиком. После поступления
Kc импульсов счетчик должен
возвращаться в исходное состояние.
Значение Kc равно числу
устойчивых состояний счетчика. Счетчик,
содержащий m разрядов(триггеров),
может иметь 2m
устойчивых состояний, поэтому его
модуль счета Kc
2m . Обычно
счетчики имеют дополнительные входы
установки S, позволяющие
предварительно установить на выходе
счетчика заданное число, или выходы
сброса R, сигнал на которых
переводит счетчик в исходное состояние.
По структурной организации счетчики делятся на последовательные, параллельные, параллельно-последовательные и реверсивные, которые различаются способами подачи счетных импульсов на входы разрядов.
Последовательные счетчики можно использовать в качестве делителей частоты. Частота импульсов на выходе последнего разряда счетчика в Kc раз меньше частоты импульсов, поступающих на вход. Делители частоты считают входные импульсы до некоторого задаваемого коэффициентом счета состояния, а затем формируют сигнал переключения триггеров в нулевое состояние, вновь начинают счет входных импульсов до задаваемого коэффициента счета и т. д.
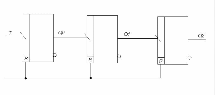
Р
ассмотрим
на примере последовательный счетчик с
Kc=8
временная диаграмма такого счетчика будет следующая:
Как видно из рисунка каждый триггер делит частоту на 2, и в результате частота получается в 8 раз меньше, то есть этот счетчик является делителем частоты на 8. Причем нетрудно заметить, что он работает как суммирующий счетчик (такой счетчик выполняет прямой счет, т.е. при поступлении на вход очередного импульса число на выходе счетчика увеличивается на 1).
