- •Пластинчатые и шестеренные гидромашины
- •Методические указания и тесты
- •Оглавление
- •Аббревиатуры:
- •Введение
- •1. Гидромашины
- •1.1. Объемные гидромашины
- •1.2. Роторные гидромашины
- •2. Пластинчатые насосы
- •2.1. Пластинчатые насосы однократного действия
- •2.2. Пластинчатые насосы двукратного действия
- •2.3. Пластинчатые насосы гидроусилителей рулевого управления
- •3. Шестеренные насосы
- •3.1. Шестеренные насосы с наружным зацеплением
- •3.2. Шестеренные насосы с внутренним зацеплением
- •3.3. Шестеренные насосы нш32у и нш46у
- •4. Практическая работа «шестеренный насос»
- •1. Назначение гидравлической машины?
- •2. Объемная гм (гидромашина)?
- •3. Роторные насосы?
- •4. Назначение гидравлической передачи?
- •5. Назначение гидравлического привода?
- •1. Ньютон. 2. Техническая атмосфера. 3. Паскаль. 4. Бар.
- •30. Где применяют шестеренные насосы с внутренним зацеплением?
- •31. Как определить рабочий объем шестеренного насоса?
- •35. Работа шестеренного насоса на рис. 3.5 (с. 32)?
- •45. К какому классу гм относятся пластинчатые насосы?
- •46. Типы пластинчатых насосов?
- •47. Наиболее распространенные пластинчатые насосы?
- •56. Чем определяется рабочий объем пластинчатой гм ?
- •57. Работа клапанов на рис. 2.6 (с.19)?
- •Литература
- •Методические указания и тесты
- •628400, Г. Сургут, Тюменская обл., ул. Энтузиастов, 38
- •628400, Г. Сургут, ул. Профсоюзная, 37,
3.2. Шестеренные насосы с внутренним зацеплением
Улучшить энергетические и массовые показатели можно путем использования ГМ с внутренним зацеплением (рис. 3.5).
Рис. 3.5. Шестеренный насос с внутренним зацеплением:
1 – подводящее окно; 2 – охватывающая шестерня; 3 – отводящее окно; 4 – внутренняя шестерня; 5 – уплотняющий элемент; р1 и р2 –низкое и высокое давление
Ведущей большей частью является внутренняя шестерня 4 с наружными зубьями, которая расположена внутри охватывающего ее ведомого зубчатого венца 2 с внутренними зубьями и уплотняющего серповидного элемента 5. Подводящее 1 и отводящее 3 окна размещаются в боковых крышках корпуса.
Охватывающая шестерня 2 (венец) вращается в расточке корпуса, образуя с ним развитый подшипник скольжения, способный работать под большими нагрузками.
По размерам и массе насосы с внутренним зацеплением при практически одинаковых рабочих объемах значительно превосходят насосы с наружным зацеплением, в том числе, за счет большего перекрытия зубьев.
Преимуществом насосов с внутренним зацеплением по сравнению с пластинчатыми является отсутствие контактного трения, возникающего между пластинами и статором и ограничивающего максимального давления пластинчатого насоса. В насосе с внутренним зацеплением шестерни ориентированы подшипниками и всюду, кроме места зацепления, могут быть гарантированы зазоры, определяемые точностью изготовления. Если точность изготовления позволяет получить малые зазоры, то такие насосы способны работать с малыми утечками при давлениях, превосходящих пределы, доступные для пластинчатых ГМ. При высоких давлениях (свыше 20 МПа) фактором, ограничивающим давление насоса с внутренним зацеплением, становится работоспособность подшипников. При обеспечении долговечности подшипников и высокой точности изготовления шестерен насосы такого типа превосходят по энергоемкости и КПД пластинчатые ГМ и успешно конкурируют с нерегулируемыми поршневыми.
Шестеренные ГМ с внутренним зацеплением требуют высокой точности изготовления /4/..
Такие насосы применяют в системе смазки переднеприводных автомобилей ВАЗ-2108 и др. Насос установлен на торце коленчатого вала двигателя.
Шестеренные насосы с внутренним зацеплением также устанавливали в ГМКП (гидромеханической коробке передач) автобусов ЛИАЗ-677 и в РК (раздаточной коробке) многоосных шасси МАЗ-7310 с колесной формулой 8х8.
3.3. Шестеренные насосы нш32у и нш46у
Рассмотрим несколько шестеренных насосов /1/.
Рабочие камеры шестеренного насоса НШ32У (рис. 3.6 - лист 63) ограничены ведущим 3, ведомым 2 зубчатыми колесами и втулками 1, 4, 6, 7. РЖ поступает во входное отверстие и заполняет объемы впадин между соседними зубьями шестерен. При вращении вала насоса эти объемы переносятся в зону нагнетания, где шестерни входят в зацепление и зубьями вытесняют РЖ в линию нагнетания. Втулки 1, 4, 6, 7 изготовлены из антифрикционного материала.
Для уменьшения перетечек РЖ из полости высокого в полость низкого давления в насосе предусмотрено автоматическое регулирование осевых зазоров по торцам зубчатых колес. С этой целью правая пара втулок 6, 7 выполнена «плавающей».
РЖ из линии нагнетания поступает в полость «а» (справа внизу) и создает на поверхности втулок силу гидростатического давления. Эффективная площадь полости «а» выбирается таким образом, чтобы прижимающая сила несколько превышала отжимающее усилие, действующее на втулки со стороны рабочих камер насоса. Уплотнение камеры «а» осуществляется манжетным уплотнением 5. Для предотвращения перетечек из полости «а» в зоне всасывания насоса установлено специальное уплотнение 8.
Рабочие чертежи качающего узла и оригинальных уплотнений насоса приведены на рис. 3.7 и 3.8 (листах 64,67).
Их боковые поверхности замыкают рабочие камеры по торцам зубчатых колес, а центральные расточки служат опорами скольжения.
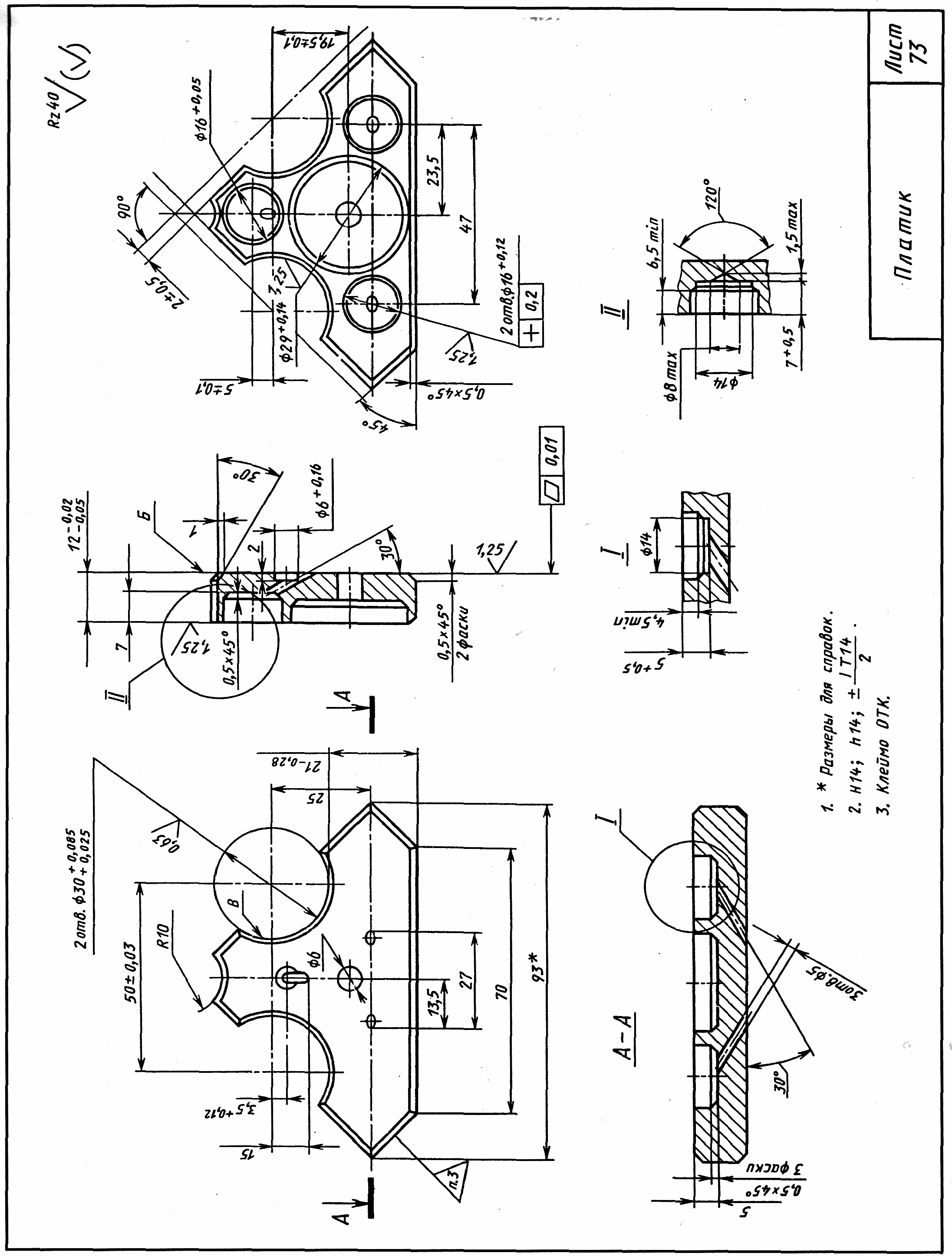
На рис. 3.9 - 3.11 (листах 69, 70 и 73) изображены внешний вид, разрезы и платик шестеренного насоса типа НШ50-2.
При работе насоса осуществляется автоматическое регулирование осевого и радиального зазоров. Регулирование осевого зазора осуществляется за счет поджима платика 12 к боковым поверхностям зубчатых колес. С этой целью в глухую камеру, образованную деталями 11 и 12, подводится РЖ из зоны нагнетания насоса.
Радиальный зазор компенсируется за счет поджима обоймы 5. Усилие поджима обусловлено давлением РЖ на поверхность манжеты 20, установленной в выходном отверстии корпуса 4 насоса.
Технические характеристики двух шестеренных насосов приведены в таблице.
Таблица
Технические характеристики насосов
типа НШ32У и НШ46У
Тип насоса НШ32У НШ46У
Рабочий объем, м3 31,7х10-6 45,7х10-6
Максимальное давление, МПа:
для тракторов, работающих с
почвообрабатывающими орудиями 17,5 15,0
для СДМ и тракторов, работающих
с погрузочно-разгрузочными орудиями - 11,0
Номинальное давление 14,0 10,0
Частота вращения, с-1:
минимальная 16 20
номинальная 32 25
максимальная 40 32
Объемный КПД (испытание при температуре
500С и номинальном режиме при давлении
на входе в насос 0,08 МПа), не менее 0,92 0,92
Масса без присоединительной арматуры, кг,
не более: с втулками из сплава Бр05Ц5С5 6,6 7,0
с втулками из алюминиевого сплава АМ07-3 5,3 5,75
Ответы:
1: 2; 4; 7; 9; 10; 16; 17; 25; 27; 31; 38; 41; 43; 53; 57;
2: 1; 6; 13; 15; 23; 24; 29; 33; 35; 40; 45; 47; 51; 55;
3: 5; 12; 14; 19; 22; 26; 30; 34; 36; 44; 46; 49; 52; 56;
4: 3; 8; 11; 18; 20; 21; 28; 32; 37; 39; 42; 48; 50; 54.
Рис. 3.6. Насос типа НШ32У
1, 4, 6, 7 - втулки; 2 - колесо (шестерня) зубчатое ведомое; 3 - колесо (шестерня) зубчатое ведущее; 5 – уплотнение манжетное; 8 – уплотнение специальное;
Рис. 3.7. Колесо зубчатое ведущее
Рис. 3.8. Уплотнения
Рис.3.9. Насос типа НШ 50-2
Рис. 3.10. Насос типа НШ 50-2
1 - вал-шестерня ведомая; 2 - втулка центрирующая; 3 - вал-шестерня ведущая; 4 - корпус; 5 - обойма поджимная; 6 - обойма подшипниковая; 7 - кольцо пружинное упорное; 8 - кольцо опорное; 9 - манжетное уплотнение; 10 - пластина; 11, 16 - манжеты торцевого уплотнения; 12 - платик; 13 - пробка транспортная; 14 - кольцо уплотнительное; 15 - крышка задняя; 17 - кольцо предохранительное; 18 - кольцо уплотнительное специальное; 19 - пластина опорная; 20 - манжета радиального уплотнения.
Рис. 3.11. Платик
