1.Введение
Контактная стыковая сварка применяется во многих отраслях промышленности. Наиболее распространенной является контактная стыковая сварка оплавлением. С ее помощью свариваются трубопроводы, арматурные стержни железобетонных изделий, железнодорожные рельсы (бесстыковые пути), длинномерные заготовки из различных конструкционных сталей и цветных металлов.
Гораздо реже применяется контактная стыковая сварка сопротивлением ввиду сложности обеспечения равномерного нагрева стыка и получения соединения по всей поверхности контакта, что обусловлено присутствием оксидных пленок. Этот способ сварки применяется, в основном, при соединении проволоки, стержней и труб относительно малых сечений. В настоящее время Кс в некоторых случаях заменяют сваркой трением, что позволяет повысить производительность, уменьшить расход электроэнергии, а также использовать более дешевое и простое оборудование. Однако существуют такие изделия, где единственно возможным способом сварки была и остается Кс. Одними из таких изделий являются цепи.
Цепь – это конструкция, состоящая из одинаковых звеньев, соединенных последовательно. Номенклатура цепей достаточно широка: круглозвенные якорные, тяговые пластинчатые, приводные зубчатые и т.д. Также цепи классифицируются по диаметру прутка и степени прочности.
При производстве большинства цепей используется Ксо. Главный недостаток данного вида сварки – это относительно низкая производительность, но автоматизация процесса позволяет решить эту проблему.
В данном курсовом проекте рассматриваются применение узла поворота звена перед подачей на сварку при производстве цепей 34х126. Данная модификация цепесварочного станка KSH-500D позволит повысить производительность и снизить трудоемкость изготовления.
Основная область применения этих цепей – это применение в составе горнодобывающих конвейеров. В следствии расширения рынков сбыта, появилась необходимость в увеличении производственных мощностей, что можно сделать не только путем закупки современного оборудования но и модернизации имеющегося, не отработавшего свой ресурс полностью.
2.Описание и назначение конструкции, изучение чертежа и технических условий на изготовление узла или изделия
Цепь – это конструкция, состоящая из одинаковых звеньев, соединенных последовательно.
Наиболее ответственное назначение цепей в горнодобывающей промышленности:
- при работе на конвейерах в особо сложных условиях;
- при повышенной влажности, абразивном износе;
- перегрузках в условиях приложения динамических нагрузок и работе на звездочках.
Критерии подбора цепей
Основными критериями подбора цепей являются их назначение и условия работы.
В большинстве случаев правила подбора цепей определяются отраслевыми нормами. Коэффициенты безопасности работы цепей для ГШО находятся в пределах 3-5. Максимальная эксплуатационная нагрузка на цепи должна быть меньше на 50% разрывной нагрузки. Для работы конвейера, не имеющего устройств регулировки или защиты от перегрузок, коэффициент запаса прочности (безопасности) увеличивается в пределах от 5 до 8.
Следует помнить, что защитные покрытая уменьшают прочностные показатели цепей. Особое внимание необходимо обратить на цепи из легированных сталей. Применение этих сталей позволяет увеличить (прочностные) характеристики цепей, но одновременно снижаются пластические показатели. Легированные стали должны быть с обязательным содержанием никеля и молибдена, определенное количество которых позволяет при очень высоких прочностных показателях иметь пластические показатели, характеризующие надежность работы цепей в особо тяжелых условиях.
В процессе изготовления необходимо придерживаться требований чертежа:
- длина цепи оговаривается при заказе;
- диаметр сварного шва не должен быть меньше фактического диаметра метала около места сварки больше чем на 2% и не должен превышать его более чем на 3%. Ширина сварного шва не более 0.7 от диаметра металла.
- на поверхности звеньев не допускаются трещины и надрезы. Допускается наличие следов взаимодействия с инструментом, применяемым при изготовлении цепей, но не глубже предельного отклонения на диаметр металла.
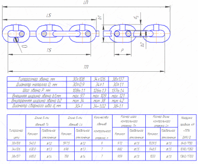
Эскиз детали
Эскиз цепи с табличными данными по размерам от калибра 30х108 до 38х137.
Марка и химический применяемой для производстве цепей стали
Марка стал – 23MnNiMoCr 5-4 DIN 17115 (Аналог 25ХГНМА)
Таблица – 1 Хим. состав стали
Углерод |
Марганец |
Кремний |
Фосфор |
Сера |
Хром |
Никель |
Молибден |
Медь |
Алюминий |
0,21 |
1,24 |
0,22 |
0,006 |
0,003 |
0,53 |
0,96 |
0,56 |
0,14 |
0,028 |
Свариваемость основного металла конструкции
- Горячие трещины
Одно из параметрических уравнений применительно к низколегированным и средне легированным сварным швам имеет вид
где, НСS - параметр , оценивающий склонность сварных швов к кристаллизационным горячим трещинам, %; С , S и др . - химич. элементы , %.
Если HCS > 4, то сварные швы потенциально склонны к горячим трещинам. Это означает, что в условиях высокого темпа сварочной деформации который зависит от типа и жесткости сварного соединения, способа и режима сварки, возможно образование горячих трещин.
HCS=0,21*(0,003+0,006+0,009+0,0096)*1000/3*1,24+0,53+0,56=1,2
На основании того, что полученный при расчетах значение получилось меньше 4 делаем вывод, что применяемый материал не склонен к образованию горячих трещин.
