- •«Электротехника и электроника»
- •230400.62 «Информационные системы и технологии», профилю «Информационные системы и технологии»
- •Требования к оформлению контрольной работы
- •Задача 1 Расчет разветвленной линейной электрической цепи постоянного тока с одним источником электрической энергии
- •Задача 3 Расчет неразветвленной линейной цепи синусоидального тока
- •Задача 4 Расчет трехфазной цепи при соединении приемников по схеме «звезда» с нейтральным проводом
Министерство образования Нижегородской области
Государственное бюджетное образовательное учреждение
Нижегородский государственный инженерно-экономический институт
(ГБОУ ВПО НГИЭИ)
Кафедра: Электрификация и автоматизация
Рассмотрено
на заседании кафедры
зав. кафедрой ____________ Осокин В. Л.
«29» августа 2013 г.
Задание для выполнения контрольной работы
по дисциплине
«Электротехника и электроника»
для студентов заочной формы обучения обучающихся по направлению подготовки
230400.62 «Информационные системы и технологии», профилю «Информационные системы и технологии»
(заочная сокращенная форма обучения)
Требования к оформлению контрольной работы
1. Каждую работу выполняют в отдельной тетради или на листах формата А4, на титульном листе которой указываются фамилия, имя, отчество студента, шифр, номер контрольной работы. Страницы работы следует пронумеровать.
2. Студент обязан выполнить работу по своему варианту. выбор варианта производится по двум последним цифрам учебного шифра студента.
3. Текст задания (условие задачи) должен быть переписан в контрольную работу полностью без пропусков и сокращений со всеми рисунками и числовыми значениями для своего варианта.
4. Расчетную часть каждой задачи следует сопровождать краткими и четкими пояснениями. Материал контрольной работы должен излагаться грамотно, записи и формулировки должны быть четкими и ясными.
5. Выдерживают следующий порядок записи при вычислениях: сначала приводят формулу, заменяют символы их числовыми значениями, затем выполняют преобразования с числами, после этого дают результат вычислений и указывают единицу измерения. Вычисления должны быть выполнены с точностью до третьей значащей цифры. При решении задач необходимо пользоваться Международной системой единиц СИ.
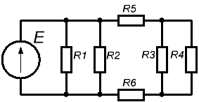
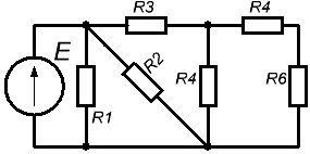
Задача 1 Расчет разветвленной линейной электрической цепи постоянного тока с одним источником электрической энергии
Для электрической цепи, изображенной: на рис. 1, определить:
1. Токи в ветвях методом преобразований (схему упрощают путем замены участков с параллельным или последовательным соединением эквивалентными элементам).
2. Мощность, развиваемую источником энергии и мощность потребителей. Проверить баланс мощностей.
3. Составить уравнения по первому закону Кирхгофа для узлов схемы. Составить уравнение по второму закону Кирхгофа для любого замкнутого контура, включающего ЭДС Е.
Таблица 1
Параметры элементов цепи
Параметры цепи |
Последняя цифра учебного шифра студента |
||||||||||
1 |
2 |
3 |
4 |
5 |
6 |
7 |
8 |
9 |
0 |
||
E, В |
60 |
70 |
80 |
90 |
100 |
110 |
120 |
130 |
140 |
150 |
|
R1, Ом |
6 |
9 |
12 |
15 |
7 |
10 |
13 |
16 |
8 |
11 |
|
R2, Ом |
11 |
14 |
6 |
9 |
12 |
15 |
7 |
10 |
13 |
16 |
|
R3, Ом |
7 |
10 |
13 |
16 |
8 |
11 |
14 |
6 |
9 |
12 |
|
R4, Ом |
12 |
15 |
7 |
10 |
13 |
16 |
8 |
11 |
14 |
6 |
|
R5, Ом |
8 |
11 |
14 |
6 |
9 |
12 |
15 |
7 |
10 |
13 |
|
R6, Ом |
13 |
16 |
8 |
11 |
14 |
6 |
9 |
12 |
15 |
7 |
|
|
|
|
|
|
|
|
|
|
|
|
|
1.
|
2.
|
||||||||||
3.
|
4.
|
||||||||||
5.
|
6.
|
||||||||||
7.
|
8.
|
||||||||||
9.
|
0.
|
||||||||||
Рис. 1. Схема электрической цепи |
|||||||||||
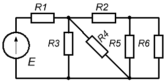
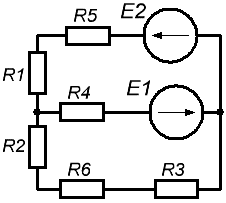
Задача 2
Расчет разветвленной линейной электрической цепи
постоянного тока с несколькими источниками
электрической энергии
Для электрической цепи, изображенной на рис. 2, выполнить следующее:
1. Составить уравнения для определения токов путем непосредственного применения законов Кирхгофа (указав, для каких узлов и контуров эти уравнения записаны). Решать эту систему уравнений следует в интегрированном пакете MathCAD.
2. Определить токи в ветвях методом контурных токов.
3. Определить режимы работы активных элементов и составить баланс мощности.
Таблица 2
Параметры элементов цепи
Параметры цепи |
Последняя цифра учебного шифра студента |
|
|||||||||||
1 |
2 |
3 |
4 |
5 |
6 |
7 |
8 |
9 |
0 |
|
|||
E1, В |
100 |
90 |
80 |
70 |
60 |
110 |
120 |
130 |
140 |
150 |
|
||
Е2, В |
160 |
170 |
180 |
190 |
200 |
150 |
140 |
110 |
120 |
130 |
|
||
R1, Ом |
10 |
16 |
11 |
17 |
11 |
17 |
10 |
15 |
18 |
20 |
|
||
R2, Ом |
14 |
11 |
17 |
12 |
18 |
12 |
18 |
11 |
16 |
19 |
|
||
R3, Ом |
19 |
15 |
12 |
18 |
13 |
19 |
13 |
19 |
12 |
17 |
|
||
R4, Ом |
11 |
20 |
16 |
13 |
19 |
14 |
20 |
14 |
20 |
13 |
|
||
R5, Ом |
15 |
12 |
21 |
17 |
14 |
20 |
15 |
21 |
15 |
21 |
|
||
R6, Ом |
11 |
13 |
13 |
10 |
18 |
15 |
21 |
16 |
10 |
16 |
|
||
1.
|
2.
|
||||||||||||
3.
|
4.
|
||||||||||||
5.
|
6.
|
||||||||||||
7.
|
8.
|
||||||||||||
9.
|
0.
|
||||||||||||
Рис.2 Схема электрической цепи |
|||||||||||||
