- •Экзаменационный билет № 1
- •1 Сглаживающие фильтры
- •1.1 Критерии качества сглаживающих свойств фильтров
- •1.2 Пассивные сглаживающие фильтры
- •2Инверторы напряжения
- •2.1 Принцип инвертирования напряжения
- •11.2 Транзисторный двухтактный инвертор напряжения с самовозбуждением
- •2.2Транзисторный инвертор с насыщающимся трансформатором
- •А втоколебательный транзисторный инвертор с коммутирующим трансформатором
Экзаменационный билет № 1
Сглаживающие фильтры. Критерии качества сглаживающих свойств фильтров. Пассивные сглаживающие фильтры.
2 Инверторынапряжения. Принцип инвертирования напряжения. Транзисторный двухтактный инвертор напряжения с самовозбуждением.
3Задача
1 Сглаживающие фильтры
1.1 Критерии качества сглаживающих свойств фильтров
В телефонии чаще всего качество питающего напряжения оценивают совокупным действием гармоник пульсации в полосе частот слухового восприятия. Для этой цели введено понятие псофометрического напряжения, т.е. напряжения, учитывающего чувствительность микрофона телефона и уха человека:
(7.1)
Сравнение требований аппаратуры и возможностей выпрямителей показывает, что без применения специальных устройств подавления пульсаций ни одна из схем выпрямителей не обеспечивает необходимого качества питающих напряжений. Для уменьшения переменной составляющей в кривой выпрямленного напряжения, т.е. для ослабления пульсации, между выпрямителем и нагрузкой устанавливается специальное устройство, называемое сглаживающим фильтром. Он относится к классу низкочастотных фильтров. Критерием качества сглаживающих свойств фильтров является коэффициент сглаживания q:
(7.2)
Как правило, низшая гармоника пульсаций выпрямленного напряжения имеет наибольшую амплитуду, а сглаживающее действие фильтра на этой частоте наименьшее, поэтому качество фильтра оценивается по первой гармонике.
Также работа фильтра оценивается коэффициентом полезного действия:
(7.3)
Д
ля
удовлетворения фильтрующих свойств
необходимо выполнение условий: Um2<<Um1,
U02
U01.
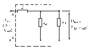
Представим сглаживающий фильтр в виде
Г- образной схемы
замещения
Рисунок 7.1 Слаживающий фильтр в виде Г-образной
схемы замещения
Выразим коэффициент сглаживания через параметры схемы замещения:
(7.4)
К
параметрам схемы замещения предъявляются
следующие требования:
Для получения высокого значения коэффициента сглаживания Z1 и Z2 должны быть представлены реактивными элементами. В качестве Z1 выбирается дроссель. Так как дроссель установлен в цепи постоянного тока, то для исключения намагничивания сердечника ему предъявляется ряд требований: следует выбирать материалы, обладающие как можно меньшей остаточной индукцией, как можно большей индукцией насыщения и минимальной напряженностью магнитного поля, при которой достигается насыщения ферромагнетика. На высокой частоте используют альсифер, т.к. этот материал имеет достаточный запас по намагничиванию сердечника.
К сожалению, характеристики реальных материалов таковы, что даже у самых лучших представителей класса ферромагнетиков остаточная индукция примерно равна половине индукции насыщения. Поэтому необходимо пользоваться другими методами снижения остаточной индукции. Воздушный зазор, созданный в сердечнике, имеет мощный размагничивающий эффект, приводящий к сдвигу петли гистерезиса и заметному понижению проницаемости высокопроницаемых материалов. Величина эффекта воздушного зазора зависит от длины средней магнитной линии и характеристик сердечника. Введение воздушного зазора увеличивает эффективную длину средней линии, уменьшает остаточную индукцию Br и таким образом увеличивает полезный размах индукции. Эквивалентная проницаемость сердечника становится приблизительно равной отношению длин средней линии и зазора (проницаемость сердечника должна быть высокой). Однако размеры оптимальных зазоров составляют сотые доли миллиметра, что вызывает значительные трудности при их изготовлении, а температурная стабильность невысока. Нагреваясь, сердечник расширяется, и зазор начинает «плыть». В реальных индуктивных элементах зазор снижает проницаемость сердечника. Принято считать, что во сколько раз снизилась проницаемость из-за введения зазора, во столько же раз упала и величина остаточной индукции.
На рисунке 7.2 показаны эскизы магнитопроводов дросселей фильтров(пунктиром показан путь магнитного потока):
Рисунок 7.2 Схема эскизов магнитопроводов дросселей фильтров
Разработаны и более эффективные методы снижения остаточной индукции без потери магнитопроводом проницаемости, например, введение дополнительной размагничивающей обмотки, называемой рекуперационной. Но этот метод широко не используется.
В качестве Z2 используют электролитический конденсатор, так как он удовлетворяет требованию:
Электролитическому конденсатору присущи следующие особенности:
- униполярность (при неверном подключении – взрывоопасен);
- необходима постоянная тренировка напряжением, т.к. он имеет свойство высыхать, при этом все параметры изменяются;
- чувствительность к пульсациям тока, напряжения и превышению максимально допустимого уровня напряжения.
Таким образом, расчет и выбор параметров сглаживающего фильтра источника электропитания проводится не только из условия получения необходимого коэффициента сглаживания пульсаций, но и с учетом ряда дополнительных требований (допустимого перенапряжения или сверхтока при переходных процессах, допустимых частотных искажений, вносимым в питаемое устройство, высокая надежность работы, малые габариты, масса и стоимость).
