- •Содержание
- •Введение
- •1. Уравнения и структурная схема двигателя постоянного тока
- •2. Уравнения и структурные схемы механической части электропривода
- •3. Уравнения и структурная схема тиристорного преобразователя напряжения
- •1.4 Выбор двигателя.Расчет параметров структурных звеньев
- •5 Расчет параметров тиристорного преобразователя
- •6. Структурные схемы электропривода и их преобразование
- •7. Системы подчиненного регулирования параметров эп
- •8. Синтез корректирующего устройства
- •9. Введение ограничений и задающего устройства в электропривод
- •Список Литературы
2. Уравнения и структурные схемы механической части электропривода
В схеме на рис. 1.4 выходной переменной является момент Mд на валу ДПТ, а входными воздействиями, определяющими значение Mд, являются напряжение uя и угловая скорость я (при Mд.пот = const).
В то же время в большинстве ЭП регулируемой переменной является угловая скорость вращения якоря я. Вращение якоря обусловлено действием электромагнитного момента Mэм, при этом значение я зависит от момента сопротивления, создаваемого нагрузкой, а в переходных режимах - и от инерционности движущихся механических элементов ЭП.
Полная структурная схема ЭП не может быть построена без анализа процессов, происходящих в его механической части. Обычно в эту часть включают движущиеся части ЭД, передаточное устройство (редуктор) и исполнительный орган (нагрузку). В общем случае механическая часть ЭП представляет собой сложную систему элементов конечной жесткости с различными массами (сосредоточенными и распределенными) и с различными скоростями движения; на эти массы воздействуют различные силы и моменты.
Для редуктора с конечной жесткостью общая схема приведена на рис. 1.5.
Рис. 1.5.общая схема для редуктора с конечной жесткостью
Если выходной переменной является скорость вращения н, то для дальнейшего анализа и синтеза системы можно использовать и полученную схему, изобразив ее для наглядности так, чтобы выходной величиной была переменная н, а не н.
3. Уравнения и структурная схема тиристорного преобразователя напряжения
В автоматизированном ЭП постоянного тока в качестве преобразовательного устройства обычно используют электромашинные преобразователи с генераторами постоянного тока, магнитные усилители, тиристорные преобразователи переменного тока в постоянный, широтно-импульсные преобразователи постоянного тока с транзисторными и тиристорными ключами.
Наибольшее распространение получили тиристорные преобразователи. Достоинствами ТП являются высокая удельная мощность (на единицу массы или объема), высокий КПД, отсутствие вращающихся частей, высокий коэффициент усиления по мощности, плавность регулирования, простота обслуживания и эксплуатации.
Наиболее простой схемой трехфазного ТП является однополупериодная схема с нулевым проводом (нулевая схема), приведенная на рис. 1.6, а. Работа схемы поясняется временными диаграммами на рис. 1.6, б.
Угол отпирания тиристоров в этой схеме принято отсчитывать от моментов, когда напряжения соседних фаз равны между собой. Среднее значение напряжения на выходе определяется выражением [которое легко получить:
,
(1.13)
где Uф - действующее значение фазного напряжения вторичных обмоток трансформатора.
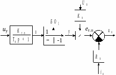
Полная структурная схема ТП, приведена на рис. 1.7. На этой схеме выходное напряжение ТП и ток нагрузки обозначены через uя и iя, как это и было принято в предыдущих разделах. Блок ограничения БО1 показан для случая реверсивного ТП. Схему на рис. 1.7 будем использовать при курсовом проектировании.
Помимо постоянной составляющей выходное напряжение ТП содержит и переменную составляющую (пульсации). Однако из-за достаточно большой индуктивности якорной цепи влияние этих пульсаций на ток iя невелико, и ими можно пренебречь.
б)
Рис. 1.6 схема трёхфазного ТП,с нулевым проводом
Рис. 1.7.полная структурная схема ТП
