- •5.1 Сурет
- •6.3 Сурет – тірек кернеудің инверттік қорек көзі
- •6.4 Сурет – инверттік емес тірек кернеу көздері
- •11.1 Сурет – Гистерезисті сипаттамалы компаратор:
- •1. Өрісті транзисторлардағы тоқ тұрақтандырғыштары.
- •4.1 Сурет - Кернеу көзі, басқарушы кернеуге ұқсас инвертті күшейткіш
- •4.2 Сурет- кернеу көзі , басқарушы кернеуге ұқсас электрометрикалық күшейткіш.
- •9.9 Сурет–ок негізіндегі фазалық сезімтал демодуляторлардың сызбасы
Тема № 1
1. Электронды құрылғылардың классификациясы. Өлшеуіш құрылғыларда қолданылатын электронды құрылғыларды қандай топтарға бөлуге болады?Электронды ұқсас құрылғылар (ЭҰҚ) — бұл электронды аспаптар негізінде жасалған күшейткіштер және электрлі сигналдардың ұқсастарының өнделуінде негізделген құрылғы. Ұқсастарға сол заңдармен өзгеретін және олармен сипатталатын физикалық үрдістердегі сигналдарды айтамыз. Ұқсас сигналдар барлық уақыт моментіне берілген (белгілі,өлшеуге болады). Ұқсас сигнал уақыт функциясы сияқты график және осциллограммамен ұсыныла алады. Графикте үзілу нүктелері бар, мысалы импульстар формаларына ие бола алатыны.Сәйкесінше электронды құрылғыларды екі топқа бөлуге болады: ұқсас және цифрлі. Ұқсас құрылғылардың артықшылықтары – салыстырмалы қарапайымдылық, сенімділік пен шапшаңдық сигналдардың өндеу дәлдігінің төмен дәрежеде болғанына қарамай, оның кең қолдануын қамтамасыз етеді.Активті электронды аспаптар негізіндегі ұқсас құрылғылардың құрылуы сигналдарды күшейтуге мүмкіндік береді. Электрлі тербеліс күшейткіштері деп берілген күшейтілген тербелістің дәлдік дәрежесі төмен деңгейдегі көшірмесі формасында , бірақ кернеу мен тоқ және қуат бойынша басым болатын қорек көзінің энергиясы есебінен жаңа тербелісті пайда етеді. Тербелісті күшейту үшін қуатты жоғарлату міндетті емес, бірақ қорек көзінің энергиясы арқылы шығыстық тербеліс шығарылады.
2.Сигналдар генераторы. Құрылуының негізгі принциптері. Тағайындалуы.Сигналдар генераторлары деп қажет етілетін формасы мен жиілігі бар айнымалы кернеуді жасайтын электронды сұлбаларды атайды.Күнделікті практикада қолданылатын көпке белгілі сигналдарды төрт типке бөлуге болады: тікбұрышты, үшбұрышты және синусоидалы формадағы сигналдар. Генераторлар транзисторлар, операционды күшейткіштер және компараторлар негізінде құрылады (жасалады). Тікбұрышты формадағы сигналдардың генераторлары да логикалық элементтер негізінде жасалады.Керекті жиіліктің берілуі, егер жоғары тұрақтылық қажет болса, RC-тізбектердің немесе кварцті резонаторлар көмегімен іске асады.
Тема № 7
1. ОК құрылымдық сұлбасы және әрекет ету принципі. Операциялык күшейткіш деп, кернеу бойынша күшейткіш коэффициенті мыңнан аса болатын тұрақты ток күшейткішін айтады.Операциялык күшейткіш іс - әрекет принципі бойынша қарапайым күшейткішке ұқсас болады. Қарапайым күшейткіш секілді, ол кіріс сигналының кернеуі немесе қуатын күшейту үшін арналған. Олар үлкен күшейту коэффициентімен, жоғары кіріс және төмен шығу кедергілерімен сипатталады.Қазіргі уақытта ОК – тер интегралды микросхемалар түрінде жасалынады және өзінің өлшемдері, бағасы бойынша транзистордан ешқандай айырмашылығы жоқ. Операционды күшейткіштердің идеалды сипаттамаларының арқасында әртүрлі сызбалардың іске асырылуы олардың негізінде транзисторларға қарағанда өте оңай болып келеді.
2
.
Интегралдайтын
күшейткіш. Сұлба. Сипаттамалары.
Қолданылуы.
Интегрирдік
рәсім операциондық формада мындай түрге
ие онда, у- шығыстық ауыспалы дабыл;
х-кірістік
ауыспалы (кірістік сигнал). Онда
өткізгіштік интегратор функциясы
мынадай түрде жазылады
Инвентирлік
күшейткіш үшін біз анықтадық
Немесе
Сонымен
кері байланыс жиілікпен байланысты
болуы керек.
Сондықтан бұл конденсатор
Интегратордың ең қарапайым схемасы 10.8-суретте қөрсетілген. Шынымен,
интегратордағы
шығыс кернеуі интегралдың уақыттық
кіріс кернеудің пропорционал. Интегратордың
күрделірек схемасы 10.9-суретте көрсетілген.
Мұнда
,
шунтирующее
конденсатор
жылжудың
өтемі үшін енгізіледі.
кірістік токтан пайда болған интегралдаудың
қатесінің кемуі үшін қызмет етеді. Кейде
паралель конденсатор қосады. Практикада
(тәжірибеде) интеграторлар жиі
сумматорлармен біріктіреді.
Тема № 8
1. Операциондық күшейткіштер негізіндегі құрылғылар. Операциялық күшейткіштер аналогты сигналдырмен әртүрлі үрдістерді орындау үшін: күшейту және әлсіздену,қосу мен азайтуинтегралдау немесе дифференциалдаулогарифмдеу немесе потенциалдау олардың түрленуі және т.б.Бұл барлық ОК үрдістері кері байланыстың оң және теріс тізбектерінің көмегімен орындалады, оның құрамына кедергі, сыйымдылық, индуктивтік, диодтар және тұрақтандырғыштар, транзисторлар және басқа элементтер.3.1. Кестесінде ОК қолданатын кейбір сызба жіктеулері көрсетілген, және теңдеу идеалды ОК үшін Uвых= f(Uвх) функционалды тәуелділіктермен сипатталады.
2. Дифференциялдайтын күшейткіш. Сұлба. Сипаттамалары. Қолданылуы. Диференциялаудың операциясы үшін операторлық формада келесі сөйлемшені жазып алуға болады:
(10.10-сурет)Дифференциатордың функционалды схемасы
Көрсетілген формуладан өткізгіштік атқаратын қызметтін табамыз.
осы формула арқылы қарапайым схема салуға болады. (10.10-сурет). Айтылған схема үшін
Сур. 10.11. Дифференциалды каскадтардың принципті схемасы
Жай схемаларда интегрерлеу қатесі орны болады. СОС сымы (10,11
,а сур.) ВЧ-ға түсуінің күшееюін қамсыздандырады,жеке шулардың дифференциялдауын серпиді. С1, R1 сымы (10.11. б сур.)
Тема № 11
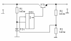
1.
Кернеудің
бірполярлы тұрақтандырғыштары.
Бір полярлы тұрақтандырғыш кернеуді
Операциялык күшейткіш негізінде тірек
көзінен кіріске тұрақты кернеу беріп
тұрғанда инверттік немесе инверттік
емес күшейткіштердің сызбасы арқылы
құруға болады.Осы тұрақтандырғыштардың
артықшылығы болып өзгертілген тіректерде
кернеудің тұрақтандырғыш белгісін
және абсолютті мәнін алу мүмкіндігі.Операциялык
күшейткіш кірісіне DD1 стабилитронынан
тірек кернеуі берілген инвертіленген
емес күшейткіштің сызбасына қосылған.
Тұрақтандырғыштың шығыс тоғын үлкейту
үшін VT1 транзисторындағы қайталанғыш
кернеуі қолданады.Тұрақтандырғыштың
шығыс кернеуі
;
Тірек кернеуін тұрақтандыру үшін R1,DD1 параметрлі тұратандырғышты кірісіне, ал шығысына тұрақтандырғыштың өзін жалғау керек.
5.1 Сурет
Бұл жағдайда тұрақтандырғыш тоғы мынаған тең және кірістік кернеудің өзгерісіне тәуелді емес.
;
ОК қоректендіргіші екі өрістік симметриялы емес, бір өрісті, оңкернеумен орындалады.Бұл тек оң бола алатын кірістік және шығыс сигналдарының рұқсат етілген диапазондарына шектеу қояды. Қорек көзінің сызбасына мұндай шектеу әсер етпейді, сондықтан теріс кернеуді қолданудан бас тартуға болады. Ал оңқорек көзін оның рұқсат етілетін параметрлерін көбейтуден қорықпайекі еселендіруге болады.ОК қорек көзі үшін тұрақтандырылмаған кернеуді қолдануға шек қойылмаған, себебі бұл кернеудің тербелісі тұрақтануына әсер етпейді, себебі қорек көзінің өзгеруімен болатын ОК-дағы шығыстық кернеудің дрейф мәні өте кіші болады.
2. Активті сүзгілер:құру принциптері, артықшылықтары, қолдану аясы. Пассивті фильтрлармен салыстырғанда, активті фильтрлар келесі артықшылықтарға ие:
1) оларда тек кедергілер мен конденсаторлар қолданылады, яғни қасиеттері индуктивті катушка қасиеттеріне қарағанда идеалдыға жақын компоненттері қолданылады.
2) олар қатысты, арзан.
3) олар өткізу жолағында күшейтуді қамтамасыз етеді ( пассивті фильтрларға қарағанда) және айтарлықтайшығындарды сирек енгізеді.
4) активті фильтрларда ОК қолдану шығыстың кірістен шешілуін қамтамасыз етеді (сондықтан активті фильтрларды көпкаскадты жасау оңай және олардың көрсеткіштерін жақсарту).
5)активті фильтрлардыреттеу біршама оңай.
6) өте кішкентай жиіліктер үшін фильтрлар параметр мәндері шамаланған компоненттерден құралуы мүмкін.
7)активті фильтрлар массасы және көлемі бойынша үлкен емес.
Активті фильтрлардың кемшіліктері де бар. Оларға қоректену көзі керек, ал олардың жиіліктерінің жұмыс істеу диапазоны операционды күшейткіштің жоғарыдағы максималді жұмыс істеу жиілігімен шектеледі. Бұл көптеген активті фильтрлардың тек бірнеше мегагерцтан аспайтын жиіліктерде жұмыс істеуіне алып келеді.
Орындалатын фильтрдың (элементтердің шын сызбалары негізіндегі фильтр) берілу функциясы номиналдардың функциясын көрсетеді
;
a және b коэффициенттері – затты тұрақты шамалар m және n =1,2,3… (m<=n).
n бөлгіш номиналының дәрежесін фильтрдің реті анықтайды.
Берілген жағдайда фильтрдің RC -тізбегі полюс. Ол көшетін аймақтағы кез келген бір RC-тізбекпен шартталған, активті фильтрдің жиілікті сипаттамасының құрылуы үшін қолданылатын сипаттаманың көлбеу қосындысын көрсетеді. Әрбір полюс (RC –тізбек) сипаттаманың көшетін аймағының көлбеуіне өзінің 6дБ/октавасын енгізеді.Фильтрдің реті - оның полюстарының саны.
3. Тапсырма 11.
Тема № 12
1. Стабилизаторы тока на биполярных транзисторах. Идеалды тоқ көзі RНжүктемесінде ондағы кернеудің төмендеуінен тәуелсіз тоқты қамтамасыз етеді.
Сурет 7.1 – Кернеу бөлгіші бар бірқалыпты тоқ көзі
Транзистор қаныққан кезде шығыстық тоқ өзгеріссіз қалады
Шығыстық тоқ қоректенетін кернеуден тәуелді болмас үшін R2 -ні стабилитронмен ауыстырады.
Рисунок 7.2
2. Измерительные выпрямители: выпрямитель среднего значения. Электрлік сигналдарды өлшеу және түрлендіру үшін ОК негізіндегі әртүрлі сызбалар қолданылады.Айнымалы кернеудің параметрлерін, олар орташа, эффективті, амплитудалық, өлшеу үшін әртүрлі диодты сызбалармен қолдануға болады. Бірақта олар диодтардағы кернеудің түсуінен салыстырмалы үлкен мәндер үшін ғана жарамды.Өлшеу үшін (түзету үшін), 9.1 суретте көрсетілгендей басқарылатын тоқ көзі бар түзеткішпен қолдануға болады.
Сурет 9.1 – Басқарылатын тоқ көзі бар түзеткіш
Сызба жерден изоляцияланғандықтан мұндай сызбаны тек аналогтық мультиметрларда өлшеу үшін қолдануға болады.Егер бұл сигнал әрі қарай өңделу керек болса (мысалы, цифрлық түрге түрлендіру керек),онда кіріс кернеуін жерге қатысты қамтамасыздандыру керек.IAтоғы шығыс кернеуі түрінде берілуі мүмкін, мысалы түрлендіргіш көмегімен тоқ – 9.2 суретінде көрсетілген кернеу.
Сурет 9.2 – Түрлендіргіш тоқ - кернеу
Сурет 9.3 – Тоқ – кернеу түрлендіргіш графигі
;
болғанда
;
;
;
;
;
егер
,
онда
,
яғнишығыс
кедергі полярлығына тәуелді түзеткіш
өзгереді.
3. Тапсырма 12.
Тема № 14
1. ОК тірек кернеуінің көздері. Тірек кернеу көзі ретінде ОК операциялык күшейткіштер қолданылады
