- •2. Автоматическая локомотивная сигнализация
- •2.1. Блок контроля самопроизвольного трогания поезда л168.
- •2.2. Блок световой сигнализации при движении к запрещающему сигналу л143.
- •2.3. Блок световой сигнализации л159 (на базе л77).
- •2.4. Порядок включения и выключения устройств алсн и контроля бдительности машиниста:
- •2.5. Пользование устройствами алсн в пути следования:
- •2.6. Порядок действия локомотивной бригады при нарушениях нормальной работы устройств алсн и контроля бдительности машиниста
- •3. Телеметрическая система контроля бодрствования машиниста (тскбм)
- •3.1. Пользование тскбм в пути следования
- •4. Устройство контроля бдительности машиниста (укбм)
- •4.1. Пользование устройствами укбм и алсн в пути следования
- •5. Комплекс средств сбора и регистрации контрольных данных кпд-3
- •5.1. Комплекс средств сбора и регистрации контролируемых параметров движения кпд-3п.
- •Комплекс средств сбора и регистрации контролируемых параметров движения кпд-3в.
- •Порядок пользования кпд-3п. Подготовительные операции перед началом поездки:
- •Три импульса в пачке – ошибка сравнения контрольной суммы пзу;
- •Режим поездки кпд-3п:
- •Скоростемер электромеханический 3сл-2м
- •Комплексное локомотивное устройство безопасности клуб-у
- •Основные принципы работы клуб-у
- •Приёмное устройство
- •Блок ввода локомотивный бвл-у и блок индикации бил-пом.
- •Назначение кнопок панели бвл-у
- •Обязанности локомотивных бригад при приемке локомотива и в пути следования при использовании клуб-у
- •7.6. Подготовка к работе
- •Пользование клуб-у при различных режимах
- •При желтом огне:
- •При к огне:
- •7.8. Движение при неисправности автоблокировки по путевой записке.
- •7.9. Порядок смены кабины управления
- •На двухсекционном локомотиве:
- •7.10. Действие локомотивной бригады при нарушении работы клуб-у.
- •Внезапное появление красно-желтого или красного огня на локомотивном светофоре, на участках оборудованных путевыми устройствами алсн
- •2. Внезапно появление белого огня на локомотивном светофоре, на участках оборудованных путевыми устройствами алсн
- •3. Выключилась индикация на блоке бил и раздается свисток эпк непрекращающийся нажатием рб и рбс
- •4. Не прекращается свисток эпк даже после выключения ключа эпк
- •7.11. Выключение устройства клуб-у
- •Блок контроля несанкционированного отключения эпк ключом кон
- •Система автоматического управления торможением поезда (саут).
- •Принцип работа саут:
- •1. Эксплуатационные ограничения.
- •1.2 Запрещается:
- •2. Подготовка к использованию.
- •2.10 Выключение аппаратуры саут производится в последовательности обратной п. 2.3.
- •3. Порядок пользования локомотивными устройствами саут-цм на участках, оборудованных путевыми устройствами саут.
- •Список используемой литературы:
Система автоматического управления торможением поезда (саут).
САУТ применяется для повышения безопасности движения поездов и контроля бдительности машиниста. САУТ используется совместно с АЛСН на участках, оборудованных автоблокировкой, для предупреждения проездов запрещающих сигналов. Система представляет собой устройства безопасности, дублирующие действия машиниста по управлению тормозами.
Локомотивные устройства САУТ автоматически ограничивают скорость движения локомотива, предупреждая ее превышение в зависимости от показания ЛС, расстояния до конца блок-участка и допустимых скоростей движения.
В систему САУТ входят путевые напольные устройства, постовые и локомотивные устройства.
В комплект путевого оборудования входят: электромагнитный контур (шлейф), образованный участком правого рельса по направлению движения поезда, путевого генератора, индикатора тока, а также электрических схем управления генератором и схем контроля с аппаратурой и кабелями СЦБ, в качестве электромагнитного контура при невозможности использования участка рельса может быть применен проложенный по шпалам внутри колеи шлейф из стального троса.
Постовые устройства (ПУ) размещаются на постах электрической централизации. Они управляют частотой напольных генераторов у предупредительных и входных светофоров станций, а также переключают длину участка рельсовой нити, зачитываемого от напольного генератора у входных сигналов станций. Путевые и постовые устройства передают на локомотив информацию о длине впереди лежащего блок- участка на перегоне или маршруте приема (отправления) на станции, длине перегона при полуавтоматической блокировке и о приеме поезда по главному или боковому пути станции при проследовании предвходного и входного светофоров.
Напольные устройства устанавливаются в релейных шкафах автоблокировки или путевых коробках возле светофоров и подсоединяются кабелями к участку рельсовой цепи в начале блок -участка. Шлейф и рельс образуют контур, по которому проходит ток от генератора высокой частоты, создавая вокруг рельса магнитное поле соответствующей частоты. Длина шлейфа выбирается исходя из протяженности блок -участка. Для задания длины маршрута приема поезда на станцию у входных светофоров активный участок рельсовой нити секционируют. При этом полная длина каждой секции пропорциональна соответствующей длине того пути, на который принимается поезд.
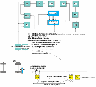
Рис. Структурная схема работы САУТ
Локомотивные устройства САУТ включают в себя датчик пути и скорости (ДПС), измерительное устройство (ИС), связанное с датчиком ДПС (Л-178/1). ДПС устанавливается на буксе колесной пары и вырабатывает прямоугольные импульсы напряжения с частотой, пропорциональной фактической скорости движения поезда. Для измерения фактической скорости и длины блок -участка в системе предусмотрены соответствующие приборы. Обработка поступающей информации производится в электронных блоках, выполняющих функции сложения и вычитания сигналов (реверсивный счетчик импульсов), логические операции (логические элементы И1, И2, Инв), блок сравнения (БС), в котором сравниваются фактическая скорость и программная, аналого-цифровой преобразователь, в котором преобразуется значение длины блок-участка, в зависимости от напряжения, пропорционального значению программной скорости движения поезда. После выполнения операции сравнения сигнал поступает в исполнительный блок—блок включения торможения (ВТ). Для снятия информации от напольных генераторов и шлейфов под кузовом локомотива над рельсом устанавливается антенна А.
Рис.Пульт машиниста.
Сигнал от антенны поступает к приемнику сигналов Пр. и далее через логические элементы поступает на делитель частоты.
Д
ля
определенных серий локомотивов система
может быть дополнена приставкой к крану
машиниста,
блоком управления электродинамическим
тормозом, блоком отключения тяги. На
пульте управления размещают кнопки
"Подтягивание", "Отправление",
"К20", которые
позволяют вводить дополнительную
информацию в САУТ. Датчики давления
устанавливаются
вблизи тормозных приборов и предназначаются
для выработки электрических сигналов,
пропорциональных давлению воздуха в
тормозной магистрали. Приставки к крану
машиниста используются для управления
пневматическими тормозами поезда с
помощью
электрических сигналов.
Рис.Пульт управления.
