- •Средняя наработка до отказа т0 – математическое ожидание (м.О.) наработки объекта до первого отказа.
- •Определение единичных показателей надежности
- •Основные отказы
- •10. Система технического диагностирования, нормативное регулирование. Особенности технического диагностирования для химических и нефтегазохимических производств
- •11. Основные задачи и принципы технического диагностирования. Порядок диагностирования
- •12.1. Требования, предъявляемые к конструкционным материалам.
- •12.2. Определение и контроль состава и структуры конструкционных материалов
- •12.3. Металлографический анализ
- •12.4 Фрактографический анализ
- •13. Определение механических характеристик материалов
- •Динамический твердомер tdm-1
- •14. Основные виды дефектов в металлах
- •14.1. Охрупчивание материала
- •14.2 Дефекты
- •14.3. Макродефекты
- •14.4 Дефекты сварки
- •15. Старение материалов
- •16. Виды коррозии и методы их оценки
- •17. Изнашивание
- •18. Методы контроля сварных швов и конструкционных материалов. Применяемое оборудование
- •18.1 Методы контроля и обнаружение дефектов в сварных соединениях
- •18.2 Методы контроля конструкционных материалов
- •18.3 Визуальный и измерительный контроль
- •18.5 Магнитные методы неразрушающего контроля сварных соединений
- •18.6 Капиллярный метод неразрушающего контроля сварных соединений
- •Рассеянные красные точки означают пористость.
- •18.7 Ультразвуковая дефектоскопия
- •Методика ультразвукового контроля
- •Проведение контроля, измерение координат и размеров дефектов.
- •18.8 Метод акустико-эмиссионной диагностики
- •18.9 Вихретоковая дефектоскопия
- •18.10 Другие методы неразрушающего контроля
- •Выбор методов неразрушающего контроля
- •20. Прогнозирование остаточного ресурса
- •20.1 Определение остаточного ресурса сосудов и аппаратов
- •20.2 Прогнозирование ресурса аппаратов при циклических нагрузках
- •20.3 Прогнозирование ресурса аппаратов по изменению механических характеристик металла
- •20.4 Прогнозирование ресурса сосуда, работающего в условиях ползучести материала
- •20.5 Прогнозирование ресурса сосудов по критерию хрупкого разрушения
- •20.6 Определение гарантированного (гамма - процентного) и среднего остаточного ресурса сосудов и аппаратов
- •20.7. Определение напряженно-деформационного состояния оборудования
- •21. Вибрационная диагностика
- •22. Организация ремонта оборудования химических, нефтехимических, нефтеперерабатывающих производств
- •22.1 Система планово-предупредительного ремонта (ппр)
- •22.2 Планирование и подготовка ремонтов
- •Технический осмотр.
- •22.4 Ремонт колонн.
- •22.5 Монтаж и ремонт насосно-компрессорного оборудования.
- •Ремонт поршневых компрессоров.
- •Ремонт поршневых насосов.
Основные понятия теории надежности (качество, система, элемент, работоспособность, отказ, надежность, безотказность, долговечность, ремонтопригодность, ресурс, срок службы)
Теория надежности изучает причины и закономерности возникновения отказов, методы расчета показателей надежности, а также методы обеспечения надежности изделий при проектировании, изготовлении и эксплуатации.
Надежность является одной из основных характеристик качества изделия.
Качество характеризуется совокупностью свойств, определяющих степень пригодности изделия по назначению.
В теории надежности оперируют понятиями система и элемент. Под системой понимают совокупность подсистем (элементов), объединенных функционально и конструктивно и определенным образом взаимодействующих в процессе применения по назначению. Под элементами понимают неделимые в дальнейшем части системы, на которые ее расчленяют при анализе надежности, и деление которых на отдельные составляющие не представляют самостоятельного интереса в рамках конкретного рассмотрения.
В общем случае, когда понятия надежности применяют и к системе и к ее элементам, пользуются общим для них наименованием – объект.
Важнейшими понятиями в теории надежности являются работоспособное состояние (работоспособность) и отказ.
Работоспособность – это состояние объекта, при котором он способен выполнять заданные функции, сохраняя значения заданных параметров в пределах, указанных нормативно-технической документацией (НТД).
Отказом называется событие, заключающееся в нарушении работоспособности объекта. Состояние, при котором объект соответствует всем требованиям НТД, называется исправным. Нарушение исправности объекта называется повреждением.
Надежность – это свойство объекта выполнять заданные функции, сохраняя во времени значения эксплуатационных показателей в заданных пределах, соответствующих заданным режимам и условиям использования, технического обслуживания, ремонтов, хранения и транспортирования.
Основными свойствами, характеризующими надежность, являются безотказность, долговечность и ремонтопригодность.
Безотказность – свойство объекта непрерывно сохранять работоспособность в течение некоторого времени (наработки).
Под наработкой понимают продолжительность или объем работы объекта, выраженной в циклах, тоннах или других единицах.
Долговечность – свойство объекта сохранять работоспособность до наступления предельного состояния при установленной системе технического обслуживания и ремонтов. Под предельным состоянием подразумевают состояние объекта, при котором его дальнейшая эксплуатация должна быть прекращена из-за неустранимого нарушения требований безопасности, неустранимого выхода заданных параметров за установленные пределы, неустранимого снижения эффективности эксплуатации ниже допустимой или необходимости проведения капитального ремонта. Долговечность характеризуется ресурсом и сроком службы.
Ресурс – это наработка от начала эксплуатации или ее возобновления после капитального ремонта до наступления предельного состояния.
Срок службы – календарная продолжительность эксплуатации объекта в те же сроки.
Различие между ресурсом и сроком службы заключается в том, что при расчетах ресурса учитывают только время работы, а при расчетах срока службы, кроме того, учитывается время простоев.
Единичные показатели надежности (безотказность,
долговечность, ремонтопригодность) для восстанавливаемых
и невосстанавливаемых объектов
Различают показатели безотказности невосстанавливаемых и восстанавливаемых объектов. К первым относятся вероятность безотказной работы, средняя наработка до отказа и интенсивность отказов; ко вторым – вероятность безотказной работы, наработка на отказ и параметр потока отказов.
Вероятность безотказной работы – вероятность того, что в пределах заданной наработки отказ не возникает.
Средняя наработка до отказа т0 – математическое ожидание (м.О.) наработки объекта до первого отказа.
Наработка на отказ Т – отношение наработки восстанавливаемого объекта к м.о. числа его отказов в течение этой наработки.
Интенсивность
отказов
- условная плотность вероятности
возникновения отказа невосстанавливаемого
объекта, определяемая для рассматриваемого
момента времени при условии, что до
этого момента отказ не возник.
Параметр потока отказов – плотность вероятности возникновения отказа восстанавливаемого объекта, определяемая для рассматриваемого момента времени.
Долговечность
оценивается следующими основными
показателями: средний
ресурс –
математическое ожидание ресурса; гамма
– процентный ресурс
– наработка, в течение которой объект
не достигнет предельного состояния с
заданной вероятностью
γ
процентов; назначенный
ресурс –
суммарная наработка объекта, при
достижении которой эксплуатация должна
быть прекращена независимо от его
состояния.
Ремонтопригодность характеризуется временем восстановления работоспособности объекта после отказа, которое состоит из времени, затрачиваемого на обнаружение отказа, поиск его причины и устранение последствий. Показателями ремонтопригодности являются вероятность восстановления в заданное время и среднее время восстановления.
Вероятность восстановления в заданное время – вероятность того, что время восстановления работоспособности объекта не превысит заданного.
Среднее время восстановления Тв–математическое ожидание (м.о.) времени восстановления работоспособности.
Определение единичных показателей надежности
а) вероятность безотказной работы для невосстанавливаемых объектов статистически определяется из выражения Р (t) = N t / N 0 , где N t - число объектов безотказно проработавших до момента времени t; N 0 – число объектов , работоспособных в начальный момент времени tо.
б) вероятность безотказной работы для восстанавливаемых объектов статистически определяется из выражения Р (t) = Nб о / r ,
где Nб о – число наработок, в течение которых объект работал безотказно после восстановления до момента времени t и более, r – общее число наработок.
Вероятность отказа Q (t) есть вероятность того, что в пределах заданной наработки t возникает отказ и объект с начала эксплуатации прорабатывает время τ, меньше t, т.е. Q (t)= р (τ < t). Связь между вероятностями отказа и безотказной работы Q (t) = 1 – Р (t). В теории надежности применяют понятие плотности вероятности отказа, физический смысл которой заключается в вероятности отказа в достаточно малую единицу времени. Плотность вероятности определяется как первая производная от вероятности отказа
ƒ
(t)
=
Q
(t)
/
t
= –
P
(t)
/
t
Вероятность отказа в функции плотности вероятности
Q
(t)
=
;
вероятность безотказной работы
P
(t)
=
в) средняя наработка до отказа Т0 статистически определяется как среднее арифметическое наработок всех объектов N, поставленных на испытания:
Т0
=
,
где
наработка
-
ого объекта до отказа.
Как
математическое ожидание средняя
выработка до отказа определяется из
выражения Т0
=
Интегрирование по частям приводит к равенству
Т0
=
.
Так
как Р(0) =1, а Р(
)
= 0, то первое слагаемое обращается в
нуль. Тогда
Т0
=
.
Из этого выражения следует, что средняя
наработка до отказа численно равна
площади под кривой вероятности безотказной
работы.
г)
наработка на отказ Т статистически
определяется как среднее значение
наработок объекта между отказами Т =
,
где
-
-
тая наработка между отказами;
r – число отказов в течение наблюдаемой наработки.
Если после каждого отказа объект восстанавливается до первоначального состояния, то этот показатель равен средней наработке до отказа.
Для оценки изменения свойств безопасности во времени применяют показатели интенсивность отказов и параметр потока отказов.
д) интенсивность отказов
.
Вероятностное выражение для интенсивности отказов имеет вид
=
Интегрируя это выражение, получим
или
.
В статистическом выражении
,
где
и
- число объектов работоспособных
соответственно к моментам времени
и
.
По существу интенсивность отказов выражается числом отказов в единицу времени.
е) долговечность оценивается следующими основными показателями:
средний
ресурс –
математическое ожидание ресурса; гамма
- процентный ресурс
– наработка, в течение которой объект
не достигнет предельного состояния с
заданной вероятностью γ
процентов. Это время работы объектов
,
в течение которого вероятность
безотказной работы не меньше величины
γ/100,
т.е.
γ/100; назначенный
ресурс –
суммарная наработка объекта, при
достижении которой эксплуатация должна
быть прекращена независимо от его
состояния.
ж) ремонтопригодность характеризуется временем восстановления работоспособности объекта после отказа, которое состоит из времени, затрачиваемого на обнаружение отказа, поиск его причины и устранение последствий. Показателями ремонтопригодности являются вероятность восстановления в заданное время и среднее время восстановления.
Вероятность восстановления в заданное время – вероятность того, что время восстановления работоспособности объекта не превысит заданного.
Среднее время восстановления Тв - математическое ожидание (м.о.) времени восстановления работоспособности; в статическом выражении
Тв=
,
где
- длительность восстановления
работоспособности
-того
объекта;
-
число испытываемых объектов.
Комплексные показатели надежности
Эти показатели используются для совместной оценки безотказности и ремонтопригодности восстанавливаемых объектов. К таким показателям относятся:
Коэффициент готовности Кг – вероятность того, что объект окажется работоспособным в произвольный момент времени, кроме планируемых периодов, в течение которых использование объектов по назначению не предусматривается. Этот коэффициент характеризует готовность объекта к выполнению заданных функций с учетом только внеплановых (аварийных) простоев.
Коэффициент оперативной готовности Ко.г – вероятность того, что объект будет работать безотказно в течение времени tp, начиная с произвольного момента t.
Коэффициент технического использования Кт.и – отношение математического ожидания времени пребывания объекта в работоспособном состоянии за некоторый период эксплуатации к сумме математических ожиданий времени пребывания объекта в работоспособном состоянии и времени простоев, вызванных техническим обслуживанием и ремонтом за тот же период эксплуатации.
Другие комплексные показатели относятся к трудоемкости и стоимости технического обслуживания и ремонтов восстанавливаемых объектов.
С помощью рассмотренных показателей можно оценить надежность любого объекта. Такие оценки способствую выбору оптимальных (или близких к ним) конструктивных решений, режимов эксплуатации и других характеристик объекта.
Различают идеальную, базовую и эксплуатационную надежность.
Идеальная – это максимально возможная надежность, достигаемая путем создания совершенной конструкции объекта при абсолютно точном учете всех условий изготовления и эксплуатации.
Базовая – это надежность, фактически достигаемая при проектировании и изготовлении объекта.
Эксплуатационная – действительная надежность объекта в процессе его эксплуатации, обусловленная как качеством проектирования и изготовления, так и условиями его эксплуатации, технического обслуживания и ремонта.
Определение комплексных показателей надежности
а) коэффициент готовности Кг статически определяется из выражения
Кг
=
,
где
- суммарное время пребывания
-того
объекта в работоспособном состоянии;
- продолжительность эксплуатации
объекта, состоящая из суммы, чередующихся
интервалов времени работы и восстановления,
- число объектов, находящихся на испытании.
При обслуживании одного объекта, предусматривающем его немедленное восстановление после отказа,
Кг = Т/ (Т +ТВ), где Т – наработка до отказа.
б) коэффициент оперативной готовности Ко.г вычисляется как произведение коэффициента готовности на вероятность безотказной работы объекта Р(tP) в течение времени tP, т.е.
Ко.г = Кг · Р (tP)
Коэффициент технического использования Кт.и – отношение математического ожидания времени пребывания объекта в работоспособном состоянии за некоторый период эксплуатации к сумме математических ожиданий времени пребывания объекта в работоспособном состоянии и времени простоев, вызванных техническим обслуживанием и ремонтом за тот же период эксплуатации.
Статистически определяется из выражения
Кт.и
=
,
-
продолжительность
-того
интервала пребывания объекта в
работоспособном состоянии;
– продолжительность j-того
простоя объекта на техническом
обслуживании;
-
продолжительность
-того
простоя объекта на ремонте; n
– число интервалов пребывания объекта
в работоспособном состоянии; m
и r
–соответственно числа простоев объекта
на техническом обслуживании и ремонте.
Для одного объекта Кт.и определяется из выражения
Кт.и = tc/ (tс + tо + tр), где tc – суммарная наработка объекта за рассматриваемый период (например, за период между двумя капитальными ремонтами); tо – суммарное время простоев из-за планового и внепланового технического обслуживания за рассматриваемый период; tр – суммарное время простоев из-за плановых и внеплановых ремонтов за тот же период.
Обеспечение базовой надежности
Необходимый уровень эксплуатационной надежности оборудования достигается как за счет обеспечения высокой базовой надежности в процессе проектирования, изготовления и монтажа, так и соответствующей эксплуатацией оборудования.
Обеспечение базовой надежности включает следующие основные стадии.
Первая стадия – предварительные исследования, сравнительный анализ надежности различных вариантов конструкции оборудования. На этой стадии анализируют требования, предъявляемые к оборудованию, изучают условия его эксплуатации, информацию о надежности аналогичного или подобного оборудования. На основании анализа надежности, различных вариантов конструкции выбирают окончательный вариант. При этом составляют расчетные функциональные схемы оборудования, обеспечивающие выполнение различных функций и принимают к разработке такую из них, при которой надежность будет наибольшей. На этой стадии важную роль в обеспечении надежности играет экспертиза технических проектов оборудования службами технического обслуживания и ремонта (ТО и Р) заводов.
Вторая стадия – экономический анализ надежности окончательного варианта конструкции. Суть этого анализа заключается в выборе такого варианта, при котором достигается минимум общих затрат на проектирование, изготовление ТО и Р оборудования в течение всего периода эксплуатации до наступления предельного состояния. Затраты на ТО и Р можно разделить на две основные части: затраты на модернизацию (реконструкцию), вызванные необходимостью доработки конструкции оборудования в процессе эксплуатации в связи с низкой базовой надежностью, и собственно затраты на ТО и Р. Общие затраты можно представить в виде суммы трех видов затрат: на проектирование и изготовление; модернизацию; ТО и Р.
Теоретически можно достигнуть весьма высокого уровня надежности оборудования, однако в этом случае общие затраты могут оказаться настолько большими, что сделает его эксплуатацию нерентабельной. Задача экономического анализа заключается в назначении такого уровня надежности, при котором достигается минимум общих затрат при максимальной эффективности функционирования оборудования.
На рис. 6.1 показано изменение затрат в зависимости от заданного уровня надежности. Из этого рисунка следует, что с увеличением назначаемого уровня надежности затраты на проектирование и изготовление возрастают, причем наиболее резкий рост наблюдается с величины надежности, равной 0,75-0,80. Затраты на ТО и Р с увеличением надежности сокращаются и стремятся к нулю при достижении надежности, равной 1.
Оптимальный уровень надежности соответствует минимуму общих затрат (кривая 4).
Однако в случае, когда базовая надежность достаточно высока и для достижения необходимой эксплуатационной надежности не требуется модернизация оборудования в процессе эксплуатации, общие затраты уменьшаются (кривая 5) и назначаемый уровень надежности может быть понижен.
Затраты на проектирование и изготовление в общей сумме затрат не превышают 10%, поэтому нецелесообразно за счет них сокращать общие затраты.
В то же время, если увеличение затрат на проектирование и изготовление исключит необходимость модернизации при последующей эксплуатации оборудования, то на это следует идти, так как в этом случае, во-первых, общие затраты уменьшаются на 20-40%, во-вторых, назначаемый уровень надежности, при котором достигается необходимая эффективность функционирования оборудования, может быть понижен на 15-20%.
На рис. 6.1. три вертикали (Ι, ΙΙ, ΙΙΙ) соответствую различным конструкциям машины, предназначенной для выполнения одинаковых функций. Конструкция Ι характеризуется низкой стоимостью проектирования и изготовления, однако вследствие больших затрат на модернизацию и ТО и Р, вызванных низкой базовой надежностью, общие затраты оказываются выше, чем у конструкций ΙΙ и ΙΙΙ с более высокой базовой надежностью. Оптимальной является конструкция ΙΙ. Конструкция ΙΙΙ неэкономична, несмотря на высокий уровень базовой надежности.
Третья стадия – рабочее проектирование, изготовление и испытание оборудования. Этап рабочего проектирования является весьма ответственным, так как устранение ошибок рабочего проекта на действующем оборудовании требует его модернизации, связано с большими потерями производства и затратами. На этом этапе предусматривают: необходимые решения по обеспечению долговечности деталей оборудования (различные методы упрочнения, необходимую смазку и др.) и их ремонтопригодности, а также
Рис. 6.1. Изменение затрат в зависимости от заданного уровня надежности:
1 – затраты на проектирование и изготовление; 2 – затраты на ТО и Р; 3 – на модернизацию; 4 – общие затраты; 5 – общие затраты без учета затрат на модернизацию.
средства контроля состояния узлов и деталей в процессе эксплуатации, приспособления и устройства для инспектирования и обслуживания оборудования; средства защиты его от перегрузок, максимальную унификацию и стандартизацию узлов и деталей и другие мероприятия по повышению базовой надежности, учитывают факторы инженерной психологии. В рабочих чертежах и технических условиях оговаривают применение специальных технологических процессов, методов изготовления деталей, контроля качества изготовления, способствующих достижению заданной базовой надежности.
Важным этапом третьей стадии является испытание нового оборудования, так как этот этап позволяет значительно сократить период его приработки и сроки освоения проектной мощности. Испытания проводят на специальных стендах, на машиностроительных заводах и в ремонтных цехах металлургических заводов с имитацией реальных условий нагружения.
На третьей стадии разрабатывают также документацию на ТО и Р оборудования. Необходимость разработки такой документации на этой стадии диктуется значительным усложнением и насыщением агрегатов новыми видами оборудования – гидравлическими, электрическими, электронными, системами автоматического регулирования и контроля и т.д. отсутствие такой документации, особенно в начальный период эксплуатации, вызывает длительные простои агрегатов на ремонтах, задерживает освоение проектных мощностей и в некоторых случаях даже вынуждает отказаться от применения новейших машин и использовать морально устаревшие.
7. Обеспечение эксплуатационной надежности.
Требуемый уровень надежности оборудования в процессе эксплуатации обеспечивают: 1) путем сбора и обработки информации о состоянии оборудования; 2) модернизации оборудования и совершенствования методов его эксплуатации; 3)ТО и Р на основе результатов обработки этой информации.
Для сбора и обработки информации в службе ТО и Р предприятия создают специальное подразделение, отвечающее за инспекцию оборудования. Персонал этого подразделения снабжают специальными приборами, измерителями и приспособлениями, с помощью которых регистрируют параметры состояния оборудования – температуру узлов трения, давление масла в системах смазки, износ деталей, величину вибраций и др. инспекцию проводят в соответствии с картами инспекций, в которых указаны контролируемые узлы и операции инспектирования. После инспекции в карты вносят ее результаты. На основании этих результатов формируется массив данных, который затем может быть обработан на ЭВМ, определяют точные объемы ремонтных работ, сроки их проведения и продолжительность. Так как большинство предприятий химии и нефтехимического комплекса работают с пожаро-взрывоопасными или токсическими веществами, то при инспектировании оборудования привлекаются специализированные организации, имеющие лицензию на право ведения таких работ.
Информация о состоянии оборудования включает различные сведения, характеризующие его эксплуатационную надежность: частоту и причины отказов; данные о расходе запасных частей и частоте их замены; о потерях производства, вызванных простоями; об изменении размеров, структуры и свойств материала деталей в процессе эксплуатации, сварных соединений и др. Эти сведения могут быть дополнены другими, относящимися к условиям работы, стоимости, трудоемкости изготовления и ремонтов деталей и узлов и др.
Процесс обработки информации заключается в определении законов и анализе причин отказов, а также в выявлении «слабых мест» оборудования, т.е. тех машин, механизмов и узлов, отказы которых связаны с наибольшими потерями производства и требуют больших ремонтных затрат.
В результате обработки информации принимают решение либо о немедленном устранении слабого места путем модернизации, изменения конструкции, практики эксплуатации или технического обслуживания (ТО) оборудования в случае очевидной причины отказа, либо о проведении необходимых исследований для выявления причины отказа и последующего устранения слабого места.
Окончательные изменения в чертежи оборудования, практику эксплуатации и ТО вносят только после проверки эффективности принятых решений.
Процесс устранения «слабых мест» носит непрерывный и повторяющийся характер, что обеспечивает постоянное поддержание и повышение необходимого уровня эксплуатационной надежности и эффективности функционирования оборудования. Такой принцип обеспечения эксплуатационной надежности называется теротехнологическим и основан на применении теротехнологии при ТО и Р оборудования.
Таким образом, процесс обеспечения эксплуатационной надежности представляет собой замкнутый цикл последовательных операций (рис. 7.1), в котором выполнение каждой последующей операции зависит от предыдущей. В ходе этого процесса происходит также постоянное совершенствование системы ТО и Р.
Из сказанного следует, что проблема обеспечения требуемого уровня надежности оборудования является комплексной и успех ее решения зависит от правильного учета всех факторов, влияющих на надежность, на всех этапах «жизненного цикла» оборудования.
Процесс обеспечения эксплуатационной надежности, связанный с устранением слабых мест, характеризуется ее повышением и последовательным увеличением межремонтных периодов оборудования. При этом каждый очередной период рассчитывают, исходя из анализа надежности за прошедшее время эксплуатации.
При расчете очередного межремонтного периода Тр задаются требуемой вероятностью безотказной работы оборудования Ртр к началу очередного ремонта. Эта вероятность должна составлять 0,8-0,85 в зависимости от важности оборудования в обеспечении технологического процесса. На основании статистических данных об отказах оборудования за предшествующий период эксплуатации t1 устанавливают закон распределения и оценивают вид функции интенсивности отказов . Тогда вероятность безотказной работы оборудования к моменту начала очередного ремонта можно представить в виде
(1)
Учитывая, что Р (t1+Tp) = P (t1) P (Tp/t1) = Pтр, а также принимая допущение, что надежность оборудования после последнего ремонта перед планируемым остается такой же, как если бы оборудование не отказало, т.е. Р ( t1 ) = 1, из выражения (1) получим
.
(2)
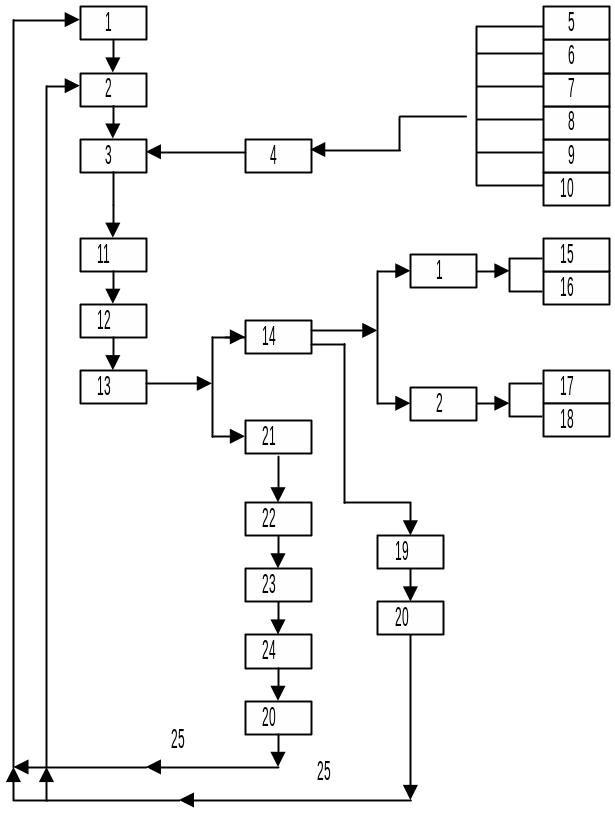
Рис. 7.1. Процесс обеспечения эксплуатационной надежности:
1 – конструкция оборудования; 2 – существующая практика эксплуатации; 3 – информация; 4 – средства получения информации; 5 – причины отказов; 6 – сведения о расходе запасных частей и частоте их замены; 7 – сведения о потерях производства, вызванных простоями; 8 – данные результатов инспекций оборудования; 9 – сведения об изменениях размеров, структуры и свойств материала деталей в процессе эксплуатации; 10 -–другие сведения; 11 – обработка информации; 12 – анализ причин отказов и выявление слабых мест; 13 – принятия решения; 14 – решение о немедленном изменении конструкции, практики и эксплуатации или ТО и Р оборудования; 15 – изменение конструкции; 16 – изменение материала детали или способа ее упрочнения; 17 – изменение практики эксплуатации; 18 – изменение практики ТО и Р; 19 – проверка предложений в промышленной эксплуатации; 20 – данные промышленной эксплуатации после внесенных изменений; 21 – решение о проведении исследований; 22 – разработка методики исследований; 23 – результаты исследований; 24 – усовершенствование конструкции или практики эксплуатации оборудования на основании исследований; 25 – обратная связь.
Выражение
,
так как вероятность безотказной работы
оборудования
к началу очередного ремонта – это
условная вероятность безотказной работы
оборудования при условии, что по
прошествии периода t1
отказ не наступил, т.е. что P
(t1) = 1.
Тогда выражение для определения Тр может быть представлено в виде
( 3 )
При
экспоненциональном законе распределения
отказов (
=const)
выражение для ТР
принимает вид
ТР
= -
( 4 )
Для
других законов функция интенсивности
отказов
является
возрастающей (кроме периода приработки,
когда убывает, который в данном случае
не рассматривается). Эта функция может
быть достаточно точно для практических
целей аппроксимирована прямой вида
,
( 5 )
коэффициенты
которой
и
определяют
на основании предшествующего опыта
эксплуатации или уточняются методом
наименьших квадратов или методом
максимального правдоподобия.
Подставляя выражение ( 5 ) в формулу ( 3 ), после интегрирования получим:
ТР = -
( 6 )
8. Методы восстановления и повышения надежности
При эксплуатации оборудования происходит износ его стенок за счет воздействия трущихся частей или среды; коррозионное воздействие со стороны рабочих сред или атмосферы; изменения структуры, состава и механических характеристик конструкционных материалов за счет взаимодействия со средами, от действия температуры и давления, появления усталости материалов. Все это приводит к снижению надежности оборудования в процессе эксплуатации. Сами явления более подробно изложены далее.
Повышение надежности возможно как на стадии проектирования и изготовления, так и во время эксплуатации. В последнем случае это связано с модернизацией оборудования. Так, например, при замене на установках химии и нефтехимии насосов с сальниковыми уплотнениями на насосы с двойным торцевым уплотнением произойдет увеличение надежности работы всей установки (следует помнить, что насосы относятся к группе самых ненадежныж элементов в таких установках). Замена же на герметичные насосы еще более повышает надежность и безотказность таких установок.
При проектировании и изготовлении оборудования повышение надежности может быть осуществлено за счет триботехники, применение антикоррозионных покрытий, ингибиторов коррозии, новых материалов и т.д.
Наука, исследующая в комплексе процессы трения, изнашивания и смазывания - это триботехника. Эта наука в последнее десятилетие бурно развивается во всех промышленно развитых странах. Достаточно отметить, что поддержание работоспособного технического состояния машинно-тракторного парка существенно превышает стоимость его изготовления.
Например, стоимость технического обслуживания автомобилей и тракторов превышает стоимость их изготовления до шести раз, а станков и насосов – до восьми раз.
Обеспечение триботехнической надежности деталей и сборочных единиц машин должно быть комплексным с использованием конструктивных, технологических и эксплуатационных методов повышения их износостойкости.
Конструктивные методы повышения износостойкости:
оптимальный выбор материалов.
Высокой надежностью обладают пары хром-резина (при смазывании минеральным маслом и водой), хром-бронза (при пластичных смазочных материалах), твердый материал в паре с другим твердым материалом. Однако применение таких пар ограничено скоростями скольжения. Пористые спеченные материалы и антифрикционные сплавы следует применять в труднодоступных для смазывания узлах трения. Мягкие материалы в сочетании с другими материалами (например, трение незакаленной стали по незакаленной стали, медного сплава по алюминиевому сплаву, никеля по никелю и др.) имеют низкую износостойкость и ненадежны в работе;
снижение концентрации нагрузки в узлах трения (например, за счет уменьшения перекосов валов и увеличения благодаря этому размеров пятен касания зубьев);
снижение нагрузки (например, применением нескольких дисков вместо двух в предохранительных муфтах, муфтах сцепления);
использование при конструировании обратных пар в подшипниках скольжения (рис.1, а), когда втулки из антифрикционного материала устанавливают на шейки вала, а закаленные стальные втулки – в корпус;
изготовление составных деталей – основной неизнашивающейся части и небольшой сменной изнашивающейся (сменные венцы зубчатых колес и звездочек );
оптимизация формы изнашивающейся поверхности с приближением ее к форме естественного износа (например, профиль зубьев передач с зацеплением М.Л. Новикова);
самокомпенсация износа (например, за счет прижатия пружиной монтажного уплотнения к изнашивающейся поверхности вала);
увеличение запаса на износ (например, толщины стенки проушины в направлении износа);
обеспечение благоприятных условий трения (замена трения скольжения трением качения, обеспечение жидкостного трения вместо граничного или граничного вместо сухого, защита сопряжения от внешней среды, уменьшение перекосов с целью обеспечения трения качения вместо качения с проскальзыванием, обеспечение достаточного смазывания и эффективной защиты от абразивного загрязнения узлов трения типа зубчатых и червячных передач, подшипников качения и скольжения, применение специальной смазки для открытых и полузакрытых узлов трения типа шарниров приводных цепей и их зацеплений).
Технологические методы повышения триботехнической надежности машин:
снижение шероховатости поверхностей;
применение покрытий, предохраняющих поверхности от схватывания и фретинг-коррозии. Применение различных методов чистовой обработки поверхностей особенно эффективно для снижения усталостного изнашивания в зубчатых передачах, подшипниках качения и др.
Предотвратить схватывание поверхностей можно фосфатированием в комбинации с покрытием молибденом, сульфидированием (насыщением серой), сульфоцианированием ( насыщением азотом, углеродом и серой). Покрытия такого типа не только повышают сопротивление схватыванию, но и снижают коэффициент трения. При микроперемещениях в условиях фретинг-коррозии с целью ее предотвращения на поверхность наносят электролитические покрытия медью или оловом, которые, наоборот, повышают коэффициент трения.
Упрочнение поверхностных слоев деталей технологическими методами (табл. 2) эффективно при трении всех видов, встречающихся в механизмах машин и оборудования сельскохозяйственного назначения. Закалка при абразивном изнашивании повышает износостойкость примерно в два раза, но ее эффективность выше при других видах изнашивания, особенно при заедании.
Таблица 8.1 Некоторые методы упрочнения деталей машин и их
показатели
Способ |
Технологические возможности |
Назначение и эффективность процессов и способов |
||
НRC, HV, Мпа |
|
δy, мм |
||
Термическая обработка |
||||
Объемная закалка |
НRC 40…55 |
Нет изменений |
Нет ограниче ний |
Повышение прочности углеродистых сталей в 1,5…2 раза, легированных в 2…3 раза. Упрочнение отливок, поковок, штамповок, механически обработанных деталей, проката, сварных элементов и т.д. |
Поверхностная закалка с нагревом ТВЧ и газовым пламенем |
НRC 40…70 |
300…800 |
0,2…10 |
Повышение усталостной прочности На 4…100% и износостойкости в 2 раза и более. Упрочнение поверхностей зубьев зубчатых колес, звездочек и муфт, шлицев, тормозных шкивов, осей, деталей, шарниров тяговых цепей и других деталей ПТМ из средне-, высокоуглеродистых и цементируемых сталей
|
Термохимическая обработка
|
||||
Цементация |
НRC 60…65 |
400…1000 |
0,5…2 |
Повышение пределов выносливости при изгибе до 3 раз, а износостойкости в 1,5…2 раза по сравнению с закалкой ТВЧ |
Азотирование |
НV 9000…11000 |
400…1000 |
0,5…0,6 |
То же, и повышение коррозионно-усталостной прочности
|
Нитроцементация (газовое цианирование) |
НRC 60…75 |
400…1000 |
0,05…2,5 |
То же, что и при цементации, но достигаемый эффект более значителен усталостная прочность шестерен выше в 2…3 раза, а износостойкость - в 1,5…1,9 раза
|
Алитирование |
- |
- |
0,5 |
Повышение долговечности деталей из сталей обыкновенного качества, работающих при повышенной температуре, до уровня долговечности деталей из дорогих жаростойких сталей
|
Хромирование (высокотемператур-ное термодиффузионное) |
НV 16000…20000 |
- |
0,02…0,03 |
Повышение ударной и коррозионно-усталостной прочности. износостойкость в 3…4 раза выше, чем при цементации, и в 1,5…2,8 раза по сравнению с нитроцементацией
|
Силицирование |
- |
- |
0,02…0,03 |
Повышение коррозионной стойкости и износостойкости при хорошей пластичности
|
Сульфидирование |
Нет изменений |
- |
0,05…1 |
Повышение сопротивления схватыванию как при сухом трении, так и при наличии смазочного материала (шестерни, втулки, гайки, плунжеры, клапаны и др.) |
Дробеструйная обработка |
Увеличение на 20…40% |
400…800 |
0,4…1,5 |
Упрочнение деталей сложной формы. Повышение усталостной долговечности рессор в 2…7 раз, пружин в 3…10 раз, осей в 3…5 раз, зубчатых колес (после закалки ТВЧ) в 8…12 раз
|
Центробежно-шариковый наклеп |
То же на 15…60% |
400…800 |
0,3…1,5 |
Упрочнение наружных и внутренних цилиндрических поверхностей (коленчатые и тормозные валы, гильзы цилиндров, поршневые кольца, вкладыши подшипников и др.) |
Обкатка роликами |
на 20…50% |
До 1000 |
1…35 |
Упрочнение цилиндрических и винтовых поверхностей. Повышение усталостной долговечности штоков в 3…4 раза, болтов и шпилек (обкатка резьбы) в раза |
Чеканка |
на 20…50% |
До 1000 |
0,5…35 |
Упрочнение деталей сложной формы м крупногабаритных. Повышение усталостной прочности крупномодульных зубчатых колес (впадины), крупных валов (галтели), сварных металлоконструкций (швы и околошовные зоны)
|
Термомеханическая обработка
|
||||
Высокотемпературная ТМО (ВТМО) |
- |
- |
Все сечение |
Упрочнение проката, поковок, штамповок, изделий, полученных волочением и выдавливанием (экструзией)
|
Низкотемпературная ТМО (НТМО) |
- |
- |
То же |
Повышение пределов прочности легированных сталей в 5…6 раз (до 3100 МПа) при увеличении пластических свойств стали (относительное сужение до 45%)
|
У с л о в н ы е о б о з н а ч е н и я: НRС, HV – твердость поверхности; σо – остаточные напряжения сжатия в поверхностном слое; δy – толщина упрочненного слоя; ТВЧ – токи высокой частоты; ПТМ – подъемно-транспортирующие машины; ТМО – термомеханическая обработка.
Цементация и газовое цианирование с последующей объемной или поверхностной закалкой и низкотемпературным (2000 С) отпуском обеспечивают при абразивном изнашивании дополнительное повышение износостойкости по сравнению с обычной закалкой углеродистой стали в 1,5…3 раза. Термодиффузионное насыщение поверхностей трения одним из карбидов хрома, титана или бора обеспечивает поверхностную твердость HV≥14000 МПа и повышает износостойкость при абразивном изнашивании по сравнению с цементацией в 3…4 раза.
При усталостном изнашивании и заедании повышение износостойкости достигается применением легированных сталей и термической обработки, обеспечивающей получение высоких механических свойств не только в тонком поверхностном слое, но и на достаточной глубине под ним.
Для повышения твердости поверхностей деталей начали применять высокоэнергетические методы обработки (лазерную, плазменную и др.), а также нанесение износостойких и антифрикционных покрытий ионными методами (в тлеющем разряде, катодным распылением и т. п.).
Наличие смазки значительно снижает механический износ, т.к. при достаточной толщине смазочного слоя трение деталей одна о другую заменяется трением слоев смазки. Например, для пары сталь-бронза износ при наличии смазки уменьшается примерно в 30 раз по сравнению с износом, имеющим место при отсутствии смазки. Даже кратковременное отсутствие смазки приводит к резкому повышению износа и заеданию деталей. Выделение больших количеств теплоты при трении без смазки приводит к выплавлению баббита из подшипников скольжения и заклиниванию. Смазка тем самым уменьшает износ трущихся деталей. Поэтому назначение смазки заключается в сохранении работоспособности и точности оборудования, увеличении его долговечности.
Основная характеристика смазочного материала – вязкость. В большинстве случаев сырьем для синтеза смазок служат продукты перегонки нефти. В зависимости от вязкости смазки могут быть жидкими (текучими), консистентными (густые, пластичные смазки) и твердыми (в качестве твердой смазки используется графит).
Смазка оборудования осуществляется в соответствии с заводскими инструкциями. Составляется карта смазки. Карта смазки – это схематический чертеж машины с позициями смазываемых узлов, для которых указывается способ и периодичность смазки. Смазка проводится в основном в период межремонтного обслуживания как основными рабочими. Так и дежурным персоналом ремонтной службы. Графики смазки и замены масла, инструкции и карты смазки должны находиться у дежурного персонала на рабочем месте.
Вид смазки для каждой машины указывается заводом-изготовителем для нормальных условий эксплуатации. Однако при изменении условий работы машины приходится заново подбирать вид смазки.
Прочность масляного слоя определяется вязкостью масла, поэтому подбор смазки осуществляется в основном по вязкости. Чем выше удельное давление в паре трения, тем более вязким должно быть масло. При малой вязкости будет происходить выжимание масло из зазора и разрыв смазочного слоя. Чем больше рабочая tº, тем выше должна быть вязкость масла. Объясняется это тем, что с повышением tº вязкость падает. Чем больше скорость относительного перемещения поверхности, тем меньше должна быть вязкость.
Конструкции узла трения и условия эксплуатации также оказывают влияние на выбор вида смазки. Для вертикальных и наклонных поверхностей трения во избежание вытекания предпочтительны не масла, а консистентные смазки.
В период приработки необходимо использовать масло, имеющее повышенную вязкость. Увеличение зазора в результате износа вызывает вибрацию и разрушение сплошного масляного слоя, поэтому при повышении износа нужно также использовать масла повышенной вязкости. Масло требуемой вязкости обычно получают путем смешения в определенных пропорциях 2-х масел с различной вязкостью.
Смазочное хозяйство находится в подчинении главного механика завода. Непосредственно в цехах смазку оборудования осуществляют станочники, аппаратчики слесари по обслуживанию и ремонту оборудования или специально выделенные смазчики.
9. Ремонтопригодность оборудования
Надежность – это не только способность оборудования работать без аварий в течение определенного гарантированного срока, но и возможность наработки определенного количества продукции при устранении, за короткий ремонтный срок, отдельных неполадок и аварий. Следовательно, в понятие надежности входит и понятие ремонтопригодности.
Ремонтопригодность входит в понятие надежности. Однако высокая надежность не всегда означает высокую ремонтопригодность. Поэтому при разработке оборудования приходится обращать особое внимание на обеспечение достаточного уровня ремонтопригодности. Ремонтопригодность может быть предусмотрена при проектировании, для существующего оборудования способ повышения ремонтопригодности намечается в процессе ее эксплуатации и осуществляется как модернизация, направленная на повышение эксплуатационных характеристик.
Повышение ремонтопригодности существующего оборудования выполняется силами ремонтных служб. Во многих случаях высокая стоимость ремонта объясняется не только отсталостью ремонтного хозяйства, но и неприспособленностью конструкций оборудования к своевременному выявлению и ликвидации отказов, к выполнению ремонта с min затратами. Для некоторых видов сложного оборудования выявление неисправности занимает 50% всего времени ремонта.
Ремонтопригодность характеризуется 1) приспособленностью к выявлению повреждений, 2) ремонтодоступностью, 3) ремонтоспособностью. Приспособленность к определению повреждений, к диагностике технического состояния без разборки зависит от конструкции оборудования, от наличия предохранительных, сигнальных, измерительных устройств и открытых для обозрения узлов. Иногда приспособленность к отысканию повреждений называют также контролепригодностью. Контролепригодность – это свойство конструкции машины, обеспечивающее возможность удобного контроля состояния узлов или контрольно – измерительного инструмента.
Ремонтнодоступность определяется доступностью и легкосъемностью. Доступность оценивается легкостью доступа к узлам и отдельным деталям для осмотра и ремонта и зависит от наличия открываемых люков и крышек, необходимости демонтажа других узлов и деталей. Легкосъемность определяется способом крепления узлов и деталей, конструкцией разъемов, весом снимаемых деталей. Необходимо стремиться к тому, чтобы все детали, подверженные интенсивному износу, были легкосъемными. Одним из средств обеспечения легкосъемности является сокращение типоразмеров крепежных деталей, используемых в машине. Агрегатирование, т. е. расчленение машины на агрегаты (узлы), также обеспечивает легкосъемность, хотя при этом не всегда удается добиться малого веса снимаемых узлов.
Ремонтноспособность определяется способностью машины к замене деталей и способностью деталей к восстановлению. Для обеспечения ремонтноспособности важное значение имеет взаимозаменяемость деталей, регулируемость узлов компенсируемость износа и т. д.
Повышение ремонтнопригодности существующего оборудования выполняется в период модернизации совмещаемой с ремонтом. Модернизацией называется внесение в конструкцию машины частичных изменений и усовершенствований с целью приближения общего технического уровня к уровню современных моделей оборудования аналогического назначения. Таким образом, модернизация предотвращает моральный износ. В настоящее время при ремонте осуществляется модернизация 50% всех крупных технологических установок. Основная цель модернизации оборудования – повышение их производительности, однако ремонтная служба может выполнять модернизацию, направленную на повышение эксплуатационных характеристик оборудования. Модернизация с целью упрощения разборки – сборки предполагает обеспечение свободного доступа к крепежным деталям, возможность легкой запрессовки и выпрессовки из корпусной детали втулок, стаканов, пальцев, возможность легкого и независимого демонтажа узлов. Для быстровращающихся деталей должно предусматриваться возможность быстрой балансировки деталей и узлов.
Основные требования к ремонтопригодности оборудования можно разделить на 2 группы.
к первой группе относятся требования, обеспечивающие ремонтопригодность оборудования при осмотре и ремонте на месте а) свободный доступ к узлам и деталям, подлежащим осмотру, регулировке или замене; б) быстрая замена изнашивающихся деталей; в) проверка качества смазки, ее замена или пополнение на месте работы, оборудования, г) быстрое определение причин аварии и отказов в работе оборудования и их устранение.
Сборка и разборка элементов оборудования, осмотр и замена деталей и смазки, наладка должны проводиться с помощью не большего количества простых инструментов и приспособлений. Ремонтопригодность оборудования будет тем выше, чем ближе к оптимальной величине работоспособность всех деталей.
Ко второй группе относятся требования, обеспечивающие ремонтопригодность при ремонте оборудования в РМЦ предприятий. Для этого в конструкции должны быть предусмотрены: простота разборки и сборки узлов, а также их комплексов; применение простых средств механизации на операциях разборки и сборки; максимальная возможность восстановления номинальных размеров изнашивающихся элементов корпусов, сложных и базовых деталей; экономически оправданная возможность восстановления номинальных размеров изнашивающихся элементов остальных деталей, простота способа проверки состояния деталей и узлов после стендовых испытаний; возможность проверки взаимодействия всех частей оборудования после ремонта.
Примером повышения ремонтопригодности в период ремонта может служить реконструкция концевого подшипника реакционного аппарата с мешалкой. Привод мешалки аппарата состоит из двигателя, редуктора, вала и концевого подшипника. Такая конструкция привода принята как типовая и обеспечивает достаточную работоспособность аппарата лишь для определенных условий, при которых концевой подшипник редко выходит из строя. Однако при работе с сильно коррозионными средами, когда концевой подшипник выходит из строя через 2-3 недели, эта конструкция дает очень низкое значение коэффициента ремонтопригодности, что связано с большой относительной затратой времени на разборку-сборку привода. Для смены пары трения в концевом подшипнике приходится снимать редуктор, поднимать вал и только после этого снимать плиту концевого подшипника, в которую запрессована неподвижная втулка пары трения. При сборке работы проводятся в обратном порядке. Для уменьшения продолжительности сборки-разборки было спроектировано и изготовлено несколько конструкций концевого подшипника, в которых плита подшипника снимается без предварительного демонтажа редуктора и вала. В первом варианте концевой подшипник остается на днище внутри аппарата, а плита концевого подшипника заводится на вал и опору подшипника снизу. Во втором варианте концевой подшипник крепится к днищу с наружной стороны аппарата с вырезкой отверстия в днище и установкой герметического колпака вокруг концевого подшипника. В третьем варианте концевой подшипник крепится непосредственно на фланце, устанавливаемом в середине днища. Все указанные варианты позволяют резко увеличить коэффициент ремонтопригодности, хотя имеют свои достоинства и недостатки.
Другой пример повышения ремонтопригодности за счет сокращения времени на сборку-разборку-использование разъемной звездочки в цепных передачах, в которых звездочка часто выходит из строя вследствие износа зубьев. Звездочка, изготовленная из двух половинок, снимается с вала и устанавливается на вал при ремонте без разборки подшипниковых опор и передаточных устройств, установленных на валу. Замена сплошной звездочки составной позволяет при ремонте изготовлять заново венец при сохранении старой ступицы, что приводит к экономии материалов и затрат времени на ремонт.
Модернизация звездочки усложняет ее конструкцию и оправдана только в том случае, если при усложнении достигается существенный экономический эффект от повышения ремонтопригодности детали, т.е. усложнение конструкции экономически эффективно только для быстроизнашивающихся деталей. Общим правилом при повышении ремонтопригодности является упрощение конструкции и использование унифицированных узлов и деталей.
В труднодоступных местах для уменьшения времени на замену сальниковой набивки применяются разъемные нажимные втулки. В аппаратах, подвергаемых частой чистке, внутренние ребра жесткости заменяются наружными. Этот вид модернизации также повышает ремонтопригодность аппаратов за счет уменьшения времени на чистку аппаратов.
В некоторых типах вентиляторов для замены подшипников на валу необходимо снимать рабочее колесо с вала. В большинстве конструкций вентилятора не предусмотрена возможность облегчения этой операции. В период ремонта к рабочему колесу приваривается кольцо, за которое укрепляется специальный съемник. Таким образом, в конструкции машины могут появиться дополнительные детали, не мешающие основному назначению машины и отличающие только ремонтные работы.
Ремонтопригодность, безотказность и долговечность является свойствами или показателями надежности. В большинстве случаев в первую очередь должны обеспечиваться безотказность и долговечность, а ремонтопригодность рассматривается как второстепенный фактор. Ремонтная служба при достаточном уровне безотказности и долговечности машины и аппарата наибольшее внимание обращает на обеспечение ремонтопригодности.
Устранение следующих недостатков в конструкции позволяет повысить ремонтопригодность машин и аппаратов:
отсутствие подвесных устройств для деталей весом более 200 Н (20КГС);
Отсутствие свободного доступа к соединениям, требующим периодической проверки и подтяжки к местам регулировки, уровнемерами, сливным и другим устройствам;
Отсутствие фиксации одной из деталей крепежной резьбовой пары при трудном доступе к соединению;
Необходимость использования нестандартного инструмента;
Отсутствие контрольных и сигнальных устройств, указывающих на нарушение нормальной работы машины или аппарата;
Отсутствие легкосъемных щитков и люков для контроля и ремонта аппарата, а так же отсутствие устройств для защиты ответственных узлов от пыли и грязи;
Совмещение быстроизнашивающихся и не изнашивающихся поверхностей в одной крупной детали.
