- •1 Для пары транзисторов кт317б и кт315в
- •2 Для пары транзисторов кт331в и кт315в
- •3 Для пары транзисторов гт341а и кт315в
- •4 Для пары транзисторов кт317б и кт336а
- •5 Для пары транзисторов кт317б и кт201а
- •6 Для пары транзисторов кт331в и кт201а
- •7 Для пары транзисторов кт331в и кт201а
- •8 Для пары транзисторов кт341а и кт336а
- •8 Для пары транзисторов кт331в и кт336а
Московский Государственный Технический Университет имени
Н.Э. Баумана
Домашнее задание по дисциплине
МПАСиК
Выполнила: Федина Е.В.
БМТ2-71
Проверил: Карпухин В.А.
Москва, 2007г
ДОМАШНЕЕ ЗАДАНИЕ
по дисциплине “МПАСиК”.
ВАРИАНТ №48
Рассчитать элементы схемы для указанного тока при Е=-Uкэmax, найти дифференциальное выходное сопротивление в точке Е=-Uкэmax/2 и построить зависимость Ik=f(-E) (Е=0...Uкэmax) для каждого исследуемого параметра при условии изменений:
R1 ±20%; R2 ±20%; h21эvt1 ±30%; h21эvt2 ±30%; t°C=10,20,30;
для транзисторов VT1 КТ317Б, КТ331В, ГТ341А.
для транзисторов VT2 КТ315В, КТ336А, КТ201А.
В выводах должны содержаться количественные данные по относительному изменению выходного дифференциального сопротивления при относительном изменении каждого исследуемого параметра.
_________________________________________________________
Для предварительного расчета примем, что VT1=VT2=KT315B
Ik=1мкА
V1=15B
Ukemax=20B
V2=Ukemax=20B
h21э=50…350
Ikmax=100мА
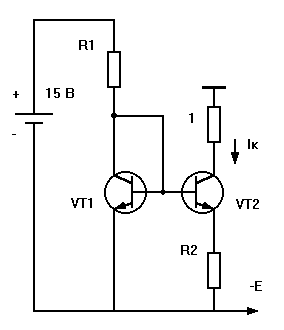
Рис.1 Схема источника
По данным на транзистор в Micro-Cap h21э=210
Запишем уравнения для расчета элементов схемы:
IR2 =Ik1+Ib1+Ib2
Ib1=Ik1/h21э
Iэ2 =Ib2+Ik
R1*Ik+Uke2+R3*Iэ2=V2
Из последнего уравнения находим, что
R3=121000ООм
V1=R2* IR2 +Uke1
Находим, что R2=125000Ом
Проверим правильность расчета с помощью анализа в Micro-Cap
Рис.2 Токи, протекающие в источнике при рассчитанных сопротивлениях
Выходное дифференциальное сопротивление у токовых зеркал определяется как дифференциальное сопротивление коллектора
Рис.3 Дифференциальное сопротивление.
В точке В точке Е=Ukmax/2=10B rd=0.7 ГОм
Рис4. Зависимость Ik=f(-E) при R1= R1±20%
Изменения настолько малы, что на графике они видны лишь на нелинейном участке характеристики
Рис5. Зависимость Ik=f(-E) при R2= R2±20% (увеличено)
При R2 =100кОм, rd =701Мом
При R2 =125кОм rd =707Мом
При R2=150кОм rd =712Мом
Рис.6 Зависимость Ik=f(-E) при R3= R3±20%
При R3 =96,8кОм, rd =573Мом
При R3 =121кОм rd =707Мом
При R3=145,2кОм rd =841Мом
Рис.7 Зависимость Ik=f(-E) при h21e2= h21e2±30%
При h21e2=147, rd =703Мом
При h21e2=210 rd =707Мом
При h21e2=273 rd =710Мом
Рис.8 Зависимость Ik=f(-E) при h21e1= h21e1±30%
При h21e1=147, rd =707.853Мом
При h21e1=210 rd =707.733Мом
При h21e1=273 rd =707.704Мом
При увеличении h21e1 дифференциальное сопротивление падает.
Рис.9 Зависимость Ik=f(-E) при температурах 10, 20 и 30 градусов Цельсия
При t=10, rd =746.7Мом
При t=20 rd =723.2Мом
При t=30 rd =701.3Мом
С увеличением температуры дифференциальное сопротивление уменьшается
1 Для пары транзисторов кт317б и кт315в
Так как в библиотеке Micro-Cap нет требуемых транзисторов заменим их на имеющиеся с близкими характеристиками.
Рис.10 Зависимость Ik=f(-E)
Характер кривой не изменился. При изменении параметров схемы изменения характеристики так же меняются незначительно(плохо видны на графике), поэтому в дальнейшем приводить зависимость не будем.
Изменим
1. h21e2= h21e2±30%
При h21e2=147, rd =761,6Мом
При h21e2=210 rd =764,9Мом
При h21e2=273 rd =766,8Мом
2. h21e1= h21e1±30%
При h21e1=128, rd =765,068Мом
При h21e1=182 rd =764,980Мом
При h21e1=236 rd =764,933Мом
Изменения дифференциального сопротивления малы
3.R3±20%
Рис.11 Зависимость
Ik=f(-E)
при R3=
R3±20%(увеличено)
При R3 =96,8кОм, rd =622Мом
При R3 =121кОм rd =765Мом
При R3=145,2кОм rd =907Мом
4. R1= R2±20%
При R2 =100кОм, rd =754,1Мом
При R2 =125кОм rd =764,9Мом
При R2=150кОм rd =774,8Мом
5.
Рис.12 Зависимость Ik=f(-E) при температурах 10, 20 и 30 градусов Цельсия
При t=10, rd =806,6Мом
При t=20 rd =781,6Мом
При t=30 rd =758,1Мом
2 Для пары транзисторов кт331в и кт315в
Рис.13 Зависимость Ik=f(-E)
Изменим
1. R1= R2±20%
При R2 =100кОм, rd =681Мом
При R2 =125кОм rd =685,9 Мом
При R2=150кОм rd =690Мом
2. R3±20%
При R3 =96,8кОм, rd =680,3Мом
При R3 =121кОм rd =685,8Мом
При R3=145,2кОм rd =689Мом
3. h21e2= h21e2±30%
При h21e2=147, rd =680,7Мом
При h21e2=210 rd =685,8Мом
При h21e2=273 rd =688,7Мом
4. h21e1= h21e1±30%
При изменении коэффициента передач дифференциальное сопротивление меняется на единицы Ом.
5.
Рис.14Зависимость Ik=f(-E) при температурах 10, 20 и 30 градусов Цельсия
При t=10, rd =723,7 Мом
При t=20 rd =700 Мом
При t=30 rd =679,6 Мом
3 Для пары транзисторов гт341а и кт315в
Рис.15 Зависимость Ik=f(-E)
1. h21e1= h21e1±30%
При h21e1=175, rd =2,528Гом
При h21e1=236 rd =2,523ГОм
При h21e1=250 rd =2,525ГОм
2. h21e2= h21e2±30%
При h21e2=147, rd =2,523ГОм
При h21e2=210 rd =2,523ГОм
При h21e2=273 rd =2,523ГОм
R3±20%
Рис.16 Зависимость Ik=f(-E) при R3= R3±20%
При R3 =96,8кОм, rd =2,306ГОм
При R3 =121кОм rd =2,525ГОм
При R3=145,2кОм rd =2,740ГОм
R2= R2±20%
Рис17. Зависимость Ik=f(-E) при R2= R2±20%
При R2 =100кОм, rd =2,152 ГОм
При R2 =125кОм rd =2,525 ГОм
При R2=150кОм rd =2,915 ГОм
5.
Рис.18 Зависимость Ik=f(-E) при температурах 10, 20 и 30 градусов Цельсия
При t=10, rd =2,652 ГОм
При t=20 rd =2,261 ГОм
При t=30 rd =1,957 ГОм
4 Для пары транзисторов кт317б и кт336а
Рис.19 Зависимость Ik=f(-E)
1. R2= R2±20%
При R2 =100кОм, rd =541 МОм
При R2 =125кОм rd =552,1МОм
При R2=150кОм rd =562Мом
2. R3±20%
Рис.20Зависимость Ik=f(-E) при R3= R3±20%
При R3 =96,8кОм, rd =453 Мом
При R3 =121кОм rd =553 Мом
При R3=145,2кОм rd =651 Мом
3. h21e2= h21e2±30%
При h21e2=79 rd =548,9 Мом
При h21e2=113 rd =552,6 Мом
При h21e2=147 rd =554,5 Мом
4. h21e1= h21e1±30%
При h21e1=128 rd =552,7 МОм
При h21e1=182 rd =552,62 МОм
При h21e1=236 rd =552,58Мом
5.
Рис.21Зависимость Ik=f(-E) при температурах 10, 20 и 30 градусов Цельсия
При t=10, rd =581,9Мом
При t=20 rd =564,5 Мом
При t=30 rd =547,7 Мом
