Учебные тесты
для подготовки к тестированию
по дисциплине «Инженерная графика» (на 17 неделе)
Тест № 1 (8 вопросов)
Тема: «Общие правила стандартного оформления чертежей»
№1 (Выберите один ответ).
Стандартным масштабом увеличения является…
1) 1:2
2) 1:5
3) 2:1
4) 1:4
№2 (Выберите один ответ).
Штрихпунктирная тонкая линия обозначена цифрой …
1) 1
2) 2
3) 3
4) 5
№3. (Выберите один ответ)
Неправильно
показан радиус дуги окружности на
рисунках … и …
1)
2)
3)
4)
5
1) 1 и 4
2) 2 и 3
3) 2 и 5
4) 3 и 5
№4 (Выберите один ответ)
Размер детали правильно нанесен на рис…
1.
2.
3.
4.
1) 1
2) 2
3) 3
4) 4
№5 (Выберите один ответ)
Формату А4 соответствуют размеры …
1) 200
300
2) 210 297
3) 420 594
4) 200 297
№6 (Выберите один ответ)
Нестандартным является масштаб: …
1) 5:1
2) 4:1
3) 3:1
4) 2,5:1
№7 (Выберите один ответ)
Если размеры листа чертежной бумаги 420 297 , то этот формат обозначается …
1) А 4
2) А 1
3) А 2
4) А 3
№8 (Выберите один ответ)
Формату А2 соответствуют размеры …
1) 297 420
2) 400 500
3) 594 400
4) 420 594
Правильные ответы к тесту № 1
№ вопроса |
1 |
2 |
3 |
4 |
5 |
6 |
7 |
8 |
№ ответа |
3 |
1 |
1 |
1 |
2 |
3 |
4 |
4 |
Тест № 2 (17 вопросов)
Тема: «Проекционное черчение. Аксонометрия»
№1 (Выберите один ответ)
Обозначенному разрезу В-В соответствует изображение...
1) 1
2) 2
3) 3
4) 4
№2 (Выберите один ответ).
Обозначенному разрезу Д-Д соответствует изображение...
1) 1
2) 2
3) 3
4) 4
№3 (Выберите один ответ).
Изображения сечений А-А и Б-Б показаны на чертеже …
1) 1
2) 2
3) 3
4) 4
№4 (Выберите один ответ).
Вид слева тела цилиндра с вырезом показан на чертеже ...
1) 1
2) 2
3) 3
4) 4
№5 (Выберите один ответ).
Вид слева тела цилиндра с вырезом показан на чертеже ...
1) 1
2) 2
3) 3
4) 4
№6 (Выберите один ответ).
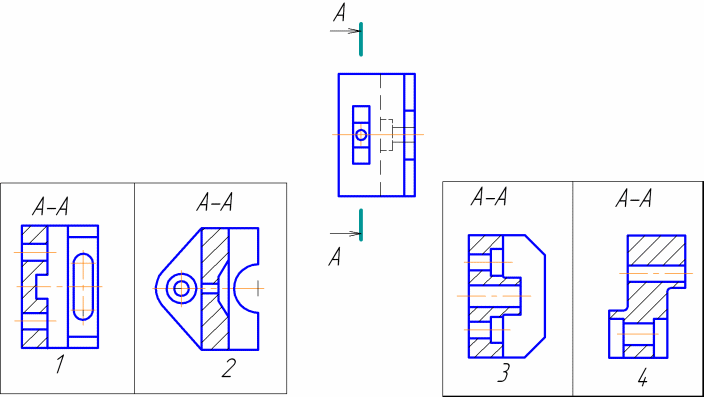
Обозначенному разрезу А-А соответствует изображение...
1) 1
2) 2
3) 3
4) 4
№7 (Выберите один ответ).
Вид справа обозначен цифрой …
1) 1
2) 2
3) 3
4) 4
5) 5
6) 6
№8 (Выберите один ответ).
Изображение, обозначенное А – А, называется … разрезом.
1) местным
2) наклонным
3) ступенчатым
4) профильным
№ 9 (Выберите один ответ).
Профильный разрез детали может быть расположен на месте вида…
1) главного
2) сверху
3) снизу
4) слева
№ 10 (Выберите один ответ).
Вынесенное сечение, в отличие от наложенного, изображается … линией.
1) сплошной толстой основной
2) тонкой
3) штриховой
4) штрихпунктирной
№11 (Выберите один ответ).
Наложенное сечение обводится … линией.
1) сплошной волнистой
2) сплошной толстой основной
3) сплошной тонкой
4) штриховой
№12 (Выберите один ответ).
Прямоугольной изометрией называют аксонометрическую проекцию, у которой показатели искажения … осям.
1) одинаковые по двум
2) одинаковые по всем
3) разные по всем
40 переменные по всем
№13 (Выберите один ответ)
Косоугольной называют аксонометрию, если проецирующие лучи…
1) перпендикулярны плоскости П1
2) перпендикулярны плоскости П2
3) перпендикулярны плоскости П3
4) перпендикулярны картинной плоскости
5) не перпендикулярны картинной плоскости
№14 (Выберите один ответ).
Картиной (картинной плоскостью) является…
1) плоскость, на которую проецируется предмет
с прикрепленными к нему осями координат
2) плоскость проекций П1
3) плоскость проекций П2
4) плоскость проекций П3
№15 (Выберите один ответ).
Положение осей в прямоугольной изометрии изображено на рисунке ...
1) 1
2) 2
3) 3
4) 5
№16 (Выберите один ответ).
Размер большой оси эллипса изометрической проекции окружности равен … диаметра этой окружности.
1) 0,81
2) 1,22
3) 0,71
4) 0,53
5) 1,05
№17 (Выберите один ответ).
Квадрат, лежащий в плоскости, параллельной плоскости хОу, построенный в прямоугольной диметрии, показан на рисунке ...
1) А
2) Б
3) В
4) Г
