- •ЛаБораторна робота №5 прилади для виміру деформацій і їх тарування
- •1 Загальні положення
- •2. Тарування тензометрів. Підготовка до експерименту
- •3. Проведення експерименту
- •4. Оцінка результатів вимірів деформацій тензометрами Гугенбергера
- •5. Оцінка результатів вимірів деформацій тензорезисторами
- •6. Порядок виконання роботи
- •7. Техніка безпеки при проведенні роботи
- •Контрольні питання
- •Перелік рекомендованої літератури
ЛаБораторна робота №5 прилади для виміру деформацій і їх тарування
Ціль роботи: вивчити види і устрій тензометрів і тензорезисторів, способи їхньої установки і схеми підключення тензорезисторів до реєструючої апаратури; одержати навички знімання відліків; ознайомитися з методами тарування тензометрів і тензорезисторів; уміти визначати їхні характеристики.
Прилади й інструменти: тарувальна консольна балка; механічний важільний тензометр Гугенбергера; тензорезистори типу КФ5П1, реєструючий прилад – система інформаційно - вимірювальна тензометрична СІВТ-3; вагове навантаження – металеві гирі, маса однієї гирі – 2 кг; масштабна лінійка; штангенциркуль.
1 Загальні положення
Для вірогідності відомостей про деформації в елементах конструкцій прилади перед їхнім застосуванням необхідно тарувати. ЗАПАМ’ЯТАЙТЕ, що тарування – це порівняння показань приладу, що перевіряється, з показаннями еталонного приладу і присвоєння його діленням визначеного значення, тобто одержання оцінки одного ділення приладу, вираженого в деформаціях. ВИВЧИТЬ пристрій тарувальної установки.
Тарувальний
пристрій буває двох видів: балка
постійного перерізу, завантажена двома
однаковими силами
в прольоті; балка у виді консолі з
перемінним перерізом, завантажена силою
на вільному кінці.
Схеми тарувальних пристроїв із пружними згинальними елементами, наведено на рисунку 1.
При прикладенні сили в кінці консольної балки утвориться згинальний момент, що змінюється від нуля до значення:
,
(1)
де - поточне значення сили на кінці консолі;
- довжина балки.
де а - балка рівного опору;
б - балка постійного переризу;
1 - ділянка для установки приладів.
Рисунок 1 – Схеми тарувальних пристроїв
Оскільки балка по довжині
має перемінний переріз, то деформація
на окремих ділянках її вздовж балки
буде постійною, і щоб визначити її,
необхідно знати відношення ширини балки
- до її довжини
.
Довжина балки
береться від місця прикладання сили до
будь-якого місця по довжині балки, бажано
в межах ділянки 1 (див. рис. 1), і в цьому
ж місці виміряється ширина балки, тобто
.
Товщина балки
є постійною.
Деформацію в тарувальній балці варто визначати за формулою:
,
(2)
де
– нормальні напруження (кН/см2);
– модуль пружності матеріалу
для балки, виконаної зі сталі
(кН/см2).
Нормальні напруження визначаються за формулою:
, (3)
де
– згинальний
момент у розглянутому перерізі, див.
формулу (1);
– момент опору переризу балки
в тім же перерізі, для якого був визначений
згинальний момент:
, (4)
де – ширина балки в розглянутому перерізі;
– товщина балки.
2. Тарування тензометрів. Підготовка до експерименту
На тарувальну балку в межах ділянки 1 (див. рис.1) установити два механічних тензометра Гугенбергера з різною базою і чотири тензорезистора типи КФ5П1 з базою 20 мм і підключити їх у ланцюг реєструючого приладу СІВТ-3. Схема підключення тензорезисторів наведена на рис. 2. Схема розміщення приладів для тарировки на тарувальній балці наведена на рис. 3.
Виміряти довжину , ширину і товщину балки з точністю 0,1 мм. За заданою програмою випробування визначити згинальний момент, величину нормальних напружень і відносну деформацію на кожен етап навантаження. Отримані результати занести в таблицю 1.
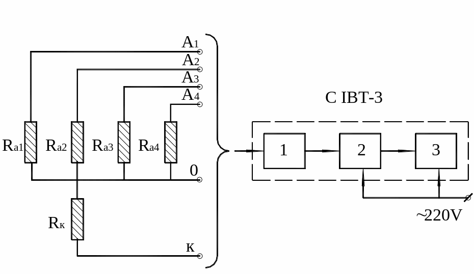
де
– активні
датчики, встановлені в активній зоні
тарувальної балки;
– компенсаційний
датчик, установлений поза балкою, але
на такому ж матеріалі, з якого виготовлена
балка;
1 – блок дистанційно-релейного переключення (БДРП);
2 – вимірювальний блок (ВБ);
3 – блок друку (БД).
Рисунок 2 – Схема підключення тензорезисторов до реєструючого приладу СІВТ-3
де
,
– тензометри Гугенбергера з базою
і
;
і
– датчики опору,
установлені на балці зверху і знизу,
тип датчика КФП1, база 20 мм.
Рисунок 3 – Схема розміщення приладів на тарувальній балці
Причому група датчиків
(
і
)
встановлені уздовж деформованих волокон,
а група датчиків
(
і
)
установлені упоперек деформованих
волокон.
Таблиця 1 – Розрахунок деформацій балки
Найменування показника |
Умовна позначка |
Одиниця виміру |
Ступінь навантаження |
||||
1 |
2 |
3 |
4 |
5 |
|||
Величина навантаження |
|
кН |
|
|
|
|
|
Згинальний момент |
|
кНсм |
|
|
|
|
|
Нормальні напруження |
|
кН/см2 |
|
|
|
|
|
Величина відносної деформації |
|
___ |
|
|
|
|
|
