- •1. Общие сведения об измерениях. Основные метрологические понятия.
- •1.1. Основные метрологические понятия. Общие сведения о точности измерений.
- •1.2 Правила техники безопасности и охраны труда при выполнении практических работ с измерительными приборами
- •2 Методические указания к проведению практических занятий
- •2.1 Занятие №1
- •Потенциометр пп-63
- •Р ис. 2. Общий вид панели переносного потенциометра пп-63
- •Задание к выполнению работы:
- •Контрольные вопросы
- •2.2 Занятие №2
- •Назначение элементов установки
- •Подготовка к работе цифрового вольтметра в7-21
- •Порядок проведения работы
- •Градуировочная характеристика платино-платинородиевой термопары пп-1
- •Обработка результатов опытов
- •Оформление отчета
- •Контрольные вопросы
- •2.3 Занятие №3
- •Назначение элементов установки
- •Порядок проведения работы
- •Обработка результатов опыта
- •Оформление отчета
- •Контрольные вопросы
- •2.4 Занятие №4
- •Промышленные магнитоэлектрические милливольтметры
- •Описание лабораторного стенда
- •Порядок проведения работы
- •Методики поверки вторичных приборов
- •Подготовка к работе цифрового вольтметра в7-21
- •IIоверка милливольтметра мр-64-02
- •Контрольные вопросы
- •2.5 Занятие №5
- •Описание лабораторного стенда
- •Определение порога чувствительности автоматического потенциометра ксп-3
- •Определение погрешности срабатывания контактов позиционного регулирующего устройства потенциометра ппр-4.
- •Контрольные вопросы
- •Занятие №6
- •Термопреобразователи сопротивления
- •Принцип действия логометра
- •Описание лабораторного стенда р ис. 12. Схема лабораторного стенда
- •Порядок выполнения работы
- •Методика поверки логометров
- •Поверка логометра л-64
- •Контрольные вопросы
- •2.7 Занятие №7
- •Промышленные логометры
- •Порядок выполнения работы
- •Оценка влияния изменения напряжения питания на показания логометра.
- •Контрольные вопросы
- •2.8 Занятие №8
- •Методы измерения температуры тел по их излучению
- •Прецизионный оптический пирометр эоп-66
- •Описание лабораторного стенда
- •Порядок выполнения работы
- •Подготовка пирометра
- •Измерение яркостной температуры
- •Определение истинной температуры по яркостной
- •Контрольные вопросы
- •3. Задачи
- •Заключение
- •Приложения
- •Протокол снятия статической характеристики термопар
- •Градуировочные характеристики термоэлектрических термометров при температуре свободных спаев, 0°с
- •Протокол лабораторной поверки вторичного прибора, работающего в комплекте с термоэлектрическом термометром
- •Результаты поверки
- •Номинальная статическая характеристика термопреобразователей сопротивления
- •Протокол поверки вторичного прибора, работающего в комплекте с термометром сопротивления
- •Результаты поверки
- •Протокол измерения яркостной температуры Дата____________________
- •Значение тока, а, при использовании красного светофильтра (●●) Патрон № 1
- •Методы и средства измерения температур
- •443100, Г. Самара, ул. Молодогвардейская, 244. Главный корпус.
- •443100, Г. Самара, ул. Молодогвардейская, 244. Корпус №8.
Контрольные вопросы
Какими свойствами должен обладать материал, применяемый для изготовления чувствительного элемента термопреобразователя сопротивления?
Дайте сравнительный анализ свойств металлов, применяемых для ТСМ и ТСП. Назовите условные обозначения номинальных статических характеристик этих устройств.
Как выполняется поверка термопреобразователей сопротивления?
Какие вторичные приборы применяются в комплекте с термопреобразователями сопротивления для измерения температуры в технологических измерениях?
Как будет выглядеть поверочная схема при определении основной погрешности логометра?
В течение практического занятия студенты должны решить задачи, указанные преподавателем.
2.7 Занятие №7
«ИССЛЕДОВАНИЕ ПОГРЕШНОСТИ ИЗМЕРЕНИЯ ТЕМПЕРАТУРЫ ЛОГОМЕТРОМ ПРИ ТРЕХ И ДВУХ ПРОВОДНОЙ СХЕМЕ ПОДКЛЮЧЕНИЯ ТЕРМОМЕТРА СОПРОТИВЛЕНИЯ И ВЛИЯНИЕ НАПРЯЖЕНИЯ ПИТАНИЯ ЛОГОМЕТРА НА ПОГРЕШНОСТИ ЕГО ИЗМЕРЕНИЯ»
Цель работы – исследовать погрешность измерения температуры вторичным прибором при трех- и двухпроводной схеме подключения термопреобразователя сопротивления при изменении условий измерения (температуры окружающей среды).
Промышленные логометры
Щ
итовые
показывающие логометры типов Л-64, ЛПр-64,
и ЛР-64-02 предназначены для работы с
техническими преобразователями
сопротивления, подключаемыми по двух-
или трехмерной схеме. Класс точности
приборов 1,5.
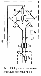
Логометр типа Л-64 с трехпроводным включением термопреобразователя сопротивления имеет электрическую схему, показанную па рис. 13. Здесь логометр совмещен с неуравновешенным мостом для увеличения чувствительности, возможности осуществления температурной компенсации. Постоянные резисторы RI–R3 образуют три плеча моста, причем сопротивления резисторов RI и R3 одинаковы, В четвертое плечо включены постоянный резистор R4, термопреобразователь сопротивления RТ и один соединительный провод с подгоночным резистором RЛ2.
Второй провод с подгоночным резистором RЛ1 относится к плечу R2. Рамки RP1 и RP2 логометра подключены к диагонали моста ab. Во вторую диагональ подается постоянный ток напряжением 4 В от источника сетевого питания ИП. Средняя точка между рамками логометра соединена с вершиной моста с через два последовательно включенных резистора R5 и R6 (первый – манганиновый, второй – медный), служащих соответственно для получения заданного угла отклонения подвижной части и для температурной компенсации прибора.
Мост находится в состоянии равновесия при сопротивлении термопреобразователя, соответствующем середине шкалы прибора. При этом из-за равновесия потенциалов в вершинах a и b падения напряжения на плечах моста R1 и R3 равны, обе рамки занимают симметричное положение относительно оси полюсных наконечников.
При отклонении измеряемой температуры от значения, отвечающего средней отметке шкалы, равновесие моста будет нарушаться. Повышение температуры, т. е. возрастание сопротивления преобразователя, приводит к уменьшению тока в рамке RP2 и соответственно к увеличению тока в рамке RP1, a понижение температуры, вызывающее уменьшение сопротивления термопреобразователя, к обратному изменению токов в рамках.
Возникающая в обоих случаях разность вращающих моментов рамок заставляет подвижную часть поворачиваться в ту или другую сторону до наступления нового равновесия, обусловленного выравниванием моментов из-за переменной ширины воздушного зазора.
Резисторы RЛ1 и RЛ2 служат для подгонки сопротивления основных соединительных проводов до градуировочного значения 5 или 15 Ом, указанного на шкале логометра.
