- •1 Енергосиловий та кінематичний
- •2 Розрахунок передачі клиновим пасом
- •Знайдемо напруження розтягу в пасі, мПа:
- •2.2 Підсумкові дані: Тип пасу Пас б-2500ш гост 1284.1-80 – гост 1284.3-80
- •3 Розрахунок циліндричної тихохідної зубчастої передачі
- •3.11 Підсумкові дані розрахунку
- •4 Проектування валів редуктора
- •5 Розрахунок валів редуктора на міцність,
- •6 Перевірочний розрахунок підшипників
- •7 Розрахунок шпонкових з’єднань
- •8 Розрахунок корпусних деталей
- •9 Змащування
- •10 Пристрої для натягу пасу передаЧі та деталі конструкції рами привода
3.11 Підсумкові дані розрахунку
Міжосьова
відстань
=
100 мм
Допустимі відхилення ± 110 мкм
Передаточне число U=5
Модуль m = 2,5 мм
Кут нахилу зуба β = 12,84
Ступінь точності – 8
Шестерня Колесо
Число зубців Z 13 65
Коефіцієнт зміщення + 0,3 - 0,3
Напрям лінії зуба ліве праве
Ділильний діаметр d, мм 35 170
Початковий
діаметр
,
мм
35 170
Діаметр вершин da мм 48 180
Діаметр впадин df мм 28 160
Ширина b2 мм 45 40
Колова сила Ft 11496,24 Н
Радіальна сила Fr 4266,65 Н
Осьова сила Fa 11496,24 Н
4 Проектування валів редуктора
Початкові дані для розрахунку:
Міжосьова відстань: 100 мм
Обертові моменти:
на колесі
на шестерні
Сили в зачепленні шестерні і колеса:
Колова сила Ft 11496,24 Н
Радіальна сила Fr 4266,65 Н
Осьова сила Fa 11496,24 Н
Навантаження, що діє на консольну ділянку вала: Fk = 3907,48 H
Коефіцієнт
перевантаження:
Частота
обертання тихохідного вала:
об/хв
Строк служби вала: 3738 годин
Допустимий запас міцності: SH = 1,1
SF = 1,75
4.1 Компоновочний розрахунок валів за умови кручення та їх попереднє конструювання
Швидкохідний вал:
Діаметр
консольної ділянки:
Діаметр
вала під підшипник:
Діаметр
бурта для підшипника:
Шестерня
виконується сумісно з валом якщо діаметр
вершин зубців:
60
120 Умова виконується.
Тихохідний вал:
Діаметр
консольної ділянки:
Діаметр
вала під підшипник:
Діаметр
бурта під підшипник:
Діаметр
вала під колесо:
Діаметр
бурта для колеса:
4.2 Компоновочний вибір підшипників та варіанту їх установки
Тип підшипника призначають в залежності від напрямку та величини сил, що діють на підшипник.
Для опор валів циліндричних прямозубих та косозубих коліс використовуємо кулькові однорядні радіальні підшипники.
|
Швидкохідний вал Підшипник №210 d = 50 мм D = 90 мм В = 20 мм C = 35,1 кН Co = 19,8 кН
|
Т Підшипник №211 d = 55 мм D = 100 мм В = 21 мм C = 43,6 кН Со = 25,0 кН
Рисунок 4.1 – Ескіз підшипника кулькового радіального
|
|
|
||
а) |
|
|
||||
б) |
|
|
||||
|
Рисунок 4.2 - Вали циліндричного одноступінчатого редуктора а) швидкохідний б) тихохідний
|
|
||||
|
|
|
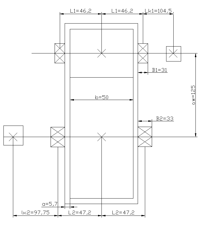
4.3 Ескізна компоновка редуктора
Відстані між умовними точками прикладання навантажень і габарити редуктора залежать від: -
відстані між колесом і внутрішньою
поверхнею корпуса редуктора
-
відстані
між колесом і донною поверхнею корпуса
Одноступінчатий циліндричний редуктор Ширина корпуса редуктора внутрішня:
|
|||
Швидкохідний вал
Тихохідний вал
Р
l1=38
l1=38
lk1=90
B1=20
B2=21
aw=100
b=45
a=5,11
l2=38
l2=38
lk2=88
исунок 4.3 - Компоновочна схема одноступінчатого редуктора
Рисунок 4.4 - Схема сил, що діють на вали редуктора

ихохідний
вал