- •50. Датчики. Общие положения. Резисторные датчики.
- •Резисторные датчики
- •51. Сельсины. Общие положения и работа в индикаторном режиме.
- •52.Работа сельсинов в трансформаторном режиме.
- •53.Схемы, с использованием сельсинов.
- •54. Вращающие трансформаторы. Синусно-косинусный вт.
- •55. Способы симметрирования вт
- •56. Линейный вт. Возможные схемы с использованием вт.
- •57. Датчик с кодовым диском.
- •58. Датчик скорости (постоянного тока).
- •59.Датчик скорости (переменного тока).
- •60. Импульсные преобразователи скорости.
- •Мал.8.21. Схема кодового диска
- •Мал.8.22. Схема датчика імпульсів
- •61.Датчик напряжения и тока.
- •62.Датчик э.Д.С.
- •63.Датчик потока.
- •64.Датчик динамического тока.
- •65.Синтез лпу.
- •66.Типи перетворювачів неелектричних величин в електричні
- •2. Ємнісні перетворювачі
- •3. П'єзоелектричні перетворювачі
- •4.Електромагнітні перетворювачі
- •4.1. Індуктивні перетворювачі
- •4.2. Взаємоіндуктивні перетворювачі.
- •5. Електромеханічні перетворювачі
- •6. Термоелектричні перетворювачі.
- •7. Магнитоупругие перетворювачі.
- •8. Фотоелектричні перетворювачі
- •10. Гальванічні перетворювачі.
- •11. Газоанализирующие перетворювачі
- •12. Індуктивні перетворювачі
- •13. Електромагнітні перетворювачі
- •67. Структура контрольно-вимірювальних і керуючих систем.
- •68. Виды характеристик преобразователей
- •1. Статичні характеристики перетворювачів.
- •2. Динамічні характеристики перетворювачів.
- •Мал. 7.6. Знаходження дінамічних показників перетворювача по кривій перехідного процеса.
- •3.Частотні характеристики перетворювачів
- •69. Цифровые методы измерения скорости
- •Мал.8.20. Схема цифрового датчика швидкості (цдс)
- •70. Датчики температуры из платины и никеля
- •Мал. 9.1. Проста вимірювальна схема для терморезисторов.
- •71. Термопары
- •72. Кремниевые датчики температуры.
- •73. Интегральные датчики температуры.
- •74. Температурный контроллер
- •75. Температурно-частотный преобразователь.
- •76. Терморезисторы с положительным и отрицательным ткс.
- •79. Компенсация температурных погрешностей.
- •80. Схема электронного барометра.
- •50. Датчики. Общие положения. Резисторные датчики.
60. Импульсные преобразователи скорости.
Імпульсний перетворювач швидкості (ДИ), який здійснює перетворення кутової швидкості двигуна в імпульси із частотою (f) пропорційної швидкості.
ДИ - виробляє дві серії імпульсів, зрушених по фазі на π/2, які використовуються для визначення кутової швидкості і її знака. Один з можливих варіантів побудови ДИ це застосування фотоелектричного кодового диска.
Мал.8.21. Схема кодового диска
На кодовому диску розташовано дві серії щілин, які пропускають світло. Світло від джерела проходить через щілини й попадає на фотодіоди, які відкриваються, і пропускаю струм. При закритті щілин фотодіоди закриваються. При обертанні диска з кутовою швидкістю ω обоє фотодіода дають чергування max і mіn сигналів із частотою fди=ω/2π*Nди, де Nди ємність кодового диска, число імпульсів за один оборот.
Однак отриманий сигнал не може бути надалі використаний без корекції, тому що він змінюється як за формою, так і амплітуді при зміні швидкості двигуна. Тому в схемі необхідний вузол формування вихідного сигналу. Можливий варіант.
Мал.8.22. Схема датчика імпульсів
У підсилювачі В1 сигнал підсилюється й формується по полярності (Uу1). Далі підсилювач , зібраний на V1,V2, що працює з позитивним зворотним зв'язком (релейний режим) дає на виході прямокутні імпульси (U1), зі змінною тривалістю. Однак вартий на виході одновібратор S формує на виході імпульси однакової амплітуди й тривалості.
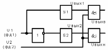
Отримана схема повинна бути доповнена вузлом, який би виділяв напрямок обертання. Він може мати вигляд.
М
ал.8.23.
Схема розділення в часі імпульсів двох
каналів в датчике
швидкості
Вихідний сигнал (Uвых, В) з'явиться при такому напрямку обертання, при якому U2 випередить по фазі на π/2 від U1 і елемент збігу відкритий для Uвых1. При іншому напрямку обертання U2 відстає по фазі на π/2 від U1 і відкритий елемент збігу для Uвых2.
Другий складової ЦДС як ми відзначали, є СИ. Він може бути виконаний подвійно. На заданому періоді Т він може підраховувати число імпульсів
т.к. молодшому розряду відповідає один імпульс, те розв'язна здатність буде N/1, а точність δ=1/N. Дискретність Δn0=1/Nдит. Таким чином, збільшення дискретності можливо при збільшенні Т, а це значить при більших значеннях швидкості. Інший спосіб - це підрахунок високочастотних імпульсів на заданому інтервалі Т. Цей спосіб ефективний саме при низьких швидкостях. У реальних системах приводу, для зниження дискретності за часом у швидкодіючих системах з керуванням по інтегралу сигналу неузгодженості інтегрування різниці швидкостей виконується підрахунком різниці безпосередньо числа імпульсів з, що задає обладнання й з датчика імпульсів за допомогою реверсивного лічильника.
61.Датчик напряжения и тока.
В системах электропривода контролируемыми величинами являются не только механические величины, но и напряжение, ток, мощность и.т.д. Для измерения этих величин используются датчики. К числу типовых относятся датчик тока (ДТ), датчик напряжения (ДН).
Назначение таких датчиков – преобразование входной величины – напряжения или тока цепи преобразователя, двигателя в выходной сигнал, пропорциональный входной величине. Датчика могут при этом выполнять одновременно и функции согласующего элемента – потенциального разделителя, усилителя по напряжению, мощности. В зависимости от выходного сигнала датчика разделяются на аналоговые и дискретные.
Обобщенная структурная схема аналоговых (6.24.а) и цифровых (6.24.б) ДН и ДТ.
Рис.6.24.
можно выделить три части : вводную цепь ВЦ, потенциальный разделитель ПР, выходной усилитель Вых. ус. датчиком является входная цепь – делитель напряжения, шунт, трансформатор напряжения или тока с выпрямителем. Эта цепь преобразует измеряемые напряжения или ток во входное напряжение постоянного тока. Потенциальный разделитель гальванически разделяет входную и выходную цепь.
Выходной усилитель формирует усиленный по напряжению и мощности выходной сигнал датчика. Характеристики управления ДН и ДТ прямолинейны:
Uвых. =K/в.ц. * Kп.р. * Kу.в. * U= Kдн * U
Uвых. =K//в.ц. * Kп.р. * Kу.в. * I = Kдт * I
Для измерения цепи постоянного тока
Uвх. = K//в.ц. * I= R ш * I
Uвх. = K//в.ц. * I= Kтт *Kв * Rш * I
Цифровые ДН, ДТ имеют аналогичную структурную схему, но для формирования цифрового выходного сигнала снабжены АЦП (б). Характеристики управления цифровых ДН и ДТ описываются выражениями
Nвых. =K/в.ц. * Kп.р. * Kу.в. * Kацп * U= Kдн * U
Nвых. =K//в.ц. * Kп.р. * Kу.в. * Kацп *I = Kдт * I
