- •Содержание
- •Задание на курсовую работу
- •Введение
- •Расчет данных для ввода в эвм
- •Выбор электродвигателя.
- •3.2 Расчет эквивалентного времени работы
- •Выбор наиболее оптимального варианта компоновки редуктора
- •Условная длина редуктора
- •Ширина редуктора
- •Объем корпуса редуктора
- •5.2 Определение усилий в зацеплении.
- •5.3 Кинематический анализ редуктора
- •Выбор материала и термообработки зубчатых передач
- •Определение напряжений зубчатой передачи
- •7.1 Определение допускаемых контактных напряжений
- •7.2 Определение действительных контактных напряжений
- •7.3 Определение расчетного напряжения изгиба
- •7.4 Определение допускаемых изгибных напряжений.
- •8.Конструирование валов и выбор подшипников
- •8.1 Определение диаметров валов
- •8.2 Концевые участки валов
- •8.3 Подбор подшипников
- •9. Расчет промежуточного вала на усталостную прочность
- •9.1 Определение усилий , действующих на вал
- •9.2 Расчет суммарных реакций в опорах промежуточного вала и построение эпюр изгибающих моментов
- •10. Конструирование зубчатых передач
- •11. Подбор и расчет шпоночных соединений
- •12. Конструирование крышек подшипников
- •13. Манжетные уплотнения
- •14. Смазочные устройства
- •15. Конструктивное оформление опорной части корпуса
- •16. Крепление крышки к корпусу
- •17. Конструирование прочих элементов редуктора
- •18. Подбор системы смазки
- •19. Краткое описание сборки редуктора
- •20. Расчёт ременной передачи
- •20.1 Проверочный расчет ременной передачи
Содержание
Задание
Введение
Расчет данных для ввода в ЭВМ
Выбор электродвигателя.
Предварительный подбор материала, твердости и термической обработки колес.
Допускаемые контактные напряжения
Выбор коэффициента ширины колеса относительно межосевого расстояния
Расчет эквивалентного времени работы
Выбор наиболее оптимального варианта компоновки редуктора
Условная длина редуктора
Максимальный размер колеса
Ширина редуктора
Условная масса зубчатых колес
Объем корпуса редуктора
График зависимости V и m от количества вариантов:
Проверка на минимальный зазор между колесом промежуточного вала и тихоходным валом.
Расчет частот вращения валов и моментов на валах.
Проверочный расчет тихоходной ступени.
Окончательный выбор материала и Т.О.
Расчет допускаемых контактных напряжений.
Определение действительных контактных напряжений
Расчет допускаемых изгибных напряжений.
Определение действительных изгибающих напряжений
Проверочный расчет быстроходной ступени.
Окончательный выбор материала и Т.О.
Расчет допускаемых контактных напряжений.
Определение действительных контактных напряжений
Расчет допускаемых изгибных напряжений.
Определение действительных изгибающих напряжений
Разработка эскизного проекта редуктора
Определение диаметров валов.
Расчет диаметров колес
Расстояние между деталями передач
Выбор типа подшипников
Конструирование зубчатых колес
Проверка валов
Определение усилий, действующих на вал.
Определение реакций и построение эпюр изгибающих моментов
Определение моментов в опасных сечениях и проверка подшипника.
Определение фактических запасов прочности в опасных сечениях и сопоставление с допускаемой величиной.
Подбор и расчет прочих элементов редуктора
Подбор и проверка шпонок на валах
Выбор крышек подшипников
Выбор уплотнений
Конструирование корпусных деталей и крышек.
Общие данные
Корпуса редукторов.
Смазывание зубчатых передач.
Список литературы.
Приложение:
Спецификация
Эскизы стандартных изделий с указанием размеров
Задание на курсовую работу
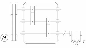
Рассчитать и спроектировать приводную станцию ленточного конвейера по схеме №54, применить тип редуктора №20.
Рисунок 1 – Схема привода
Исходные данные:
Окружное усилие F = 10 кH;
Скорость ленты V = 1,1 м/с;
Ресурс
=
21000 ч;
Режим работы III.
Тип производства – Е.
Введение
В машиностроении находят широкое применение редукторы, механизмы, состоящие из зубчатых или червячных передач, выполненных в виде отдельного агрегата и служащих для передачи мощности от двигателя к рабочей машине. Кинематическая схема привода может включать, помимо редуктора, открытые зубчатые передачи, цепную или ременную
передачу.
Назначение редуктора — понижение угловой скорости и повышение вращающего момента ведомого вала по сравнению с валом ведущим. Механизмы, служащие для повышения угловой скорости, выполнены в виде отдельных агрегатов, называют мультипликаторы.
Конструктивно редуктор состоит из корпуса (литого, чугунного или сварного стального), в котором помещаются элементы передачи — зубчатые колеса, валы, подшипники и т.д.
Редуктор проектируют либо для привода определенной машины, либо по заданной нагрузке (моменту на выходном валу) и передаточному числу без указания конкретного назначения.
Привод предполагается размещать в закрытом, отапливаемом, вентилируемом помещении, снабженным подводом трехфазного переменного тока.
В данной курсовой работе, привод состоит из электродвигателя, ременной передачи, цилиндрического редуктора, муфты и ленточного конвейера.
