- •1 Вибір електро двигуна
- •2 Вибір матеріалів
- •3.1.5 Розрахунок на контактну витривалість активних поверхонь зуба
- •3.1.6 Розрахунок зубців на витривалість при згині
- •3.1.7 Перевірка міцності при перевантажені
- •3.2.4.Початковий діаметр шестерні
- •3.2.5 Розрахунок на контактну витривалість активних поверхонь зуба
- •3.2.6 Розрахунок зубців на витривалість при згині
- •3.2.7 Перевірка міцності при перевантажені
- •4 Розрахунок валів
- •4.1 Розрахунок швидкохідного вала
- •4.1.1 Розробка конструкції швидкохідного вала
- •4.1.2 Попередній розрахунок швидкохідного вала
- •4.1.3 Перевірочний розрахунок швидкохідного вала
- •4.2 Розрахунок проміжного вала
- •4.2.1 Розробка конструкції проміжного вала
- •4.2.2 Попередній розрахунок проміжного вала
- •4.2.3 Перевірочний розрахунок проміжного вала
- •4.3 Розрахунок тихохідного вала
- •4.3.1 Розробка конструкції тихохідного вала
- •4.3.2 Попередній розрахунок тихохідного вала
- •4.3.3 Перевірочний розрахунок тихохідного вала
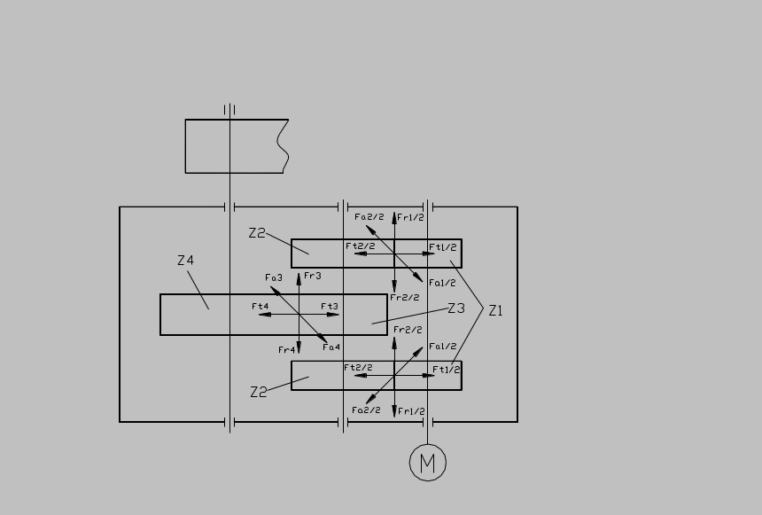
Ft, Н |
V, м/с |
D, м |
t, хв. |
B, м |
H, м |
5,25 |
0,6 |
0,35 |
15000 |
0,45 |
0,6 |
Зміст.
1. Вибір електро двигуна
2. Вибір матеріалів
3. Розрахунок зубчатої передачі
3. 1.Швидкохідна ступінь
3.1.1. Міжосьова відстань
3.1.2. Розрахунок модуля зачеплення
3.1.3. Розрахунок кута нахилу
3.1.4. Початковий діаметр шестерні
3.1.5. Розрахунок на контактну витривалість
3.1.6. Розрахунок на витривалість при згині
3.1.7. Перевірка міцності при перевантажені
Геометричні розміри
3.2. Тихохідна ступінь
3.2.1. Міжосьова відстань
3.2.2. Розрахунок модуля зачеплення
3.2.3. Розрахунок кута нахилу
3.2.4. Початковий діаметр шестерні
3.2.5. Розрахунок на контактну витривалість
3.2.6. Розрахунок на витривалість при згині
3.2.7. Перевірка міцності при перевантажені
Геометричні розміри
4 Розрахунок валів
4.1 Розрахунок швидкохідного вала
4.1.1 Розробка конструкції швидкохідного вала
4.1.2 Попередній розрахунок швидкохідного вала
4.1.3 Перевірочний розрахунок швидкохідного вала
4.2 Розрахунок проміжного вала
4.2.1 Розробка конструкції проміжного вала
4.2.2 Попередній розрахунок проміжного вала
4.2.3 Перевірочний розрахунок проміжного вала
4.3 Розрахунок тихохідного вала
4.3.1 Розробка конструкції тихохідного вала
4.3.2 Попередній розрахунок тихохідного вала
4.3.3 Перевірочний розрахунок тихохідного вала
1 Вибір електро двигуна
Визначаємо потужність :P=Ft*V=5,25*0,6=3,15 кВт
Потужність
двигуна: Pд=P/
=3,15/0,877=3,59
кВт
=
*
*
*
=0,877
Приймаємо двигун
P=4 кВт n1=2880
P=4 кВт n1=1430
P=4 кВт n1=950
P=4 кВт n1=720
Кількість обертів
n
=
об/хв
Передаточне
відношення U=n1/ n
U1=2880/32,74=87,96
U2=1430/32,74=43,67
U3=950/32,74=29,01
U4=720/32,74=21,99
Визначаємо
передаточне відношення тихохідної
ступені Uт=0,88*
Uт=0,88*
=8,25
Uтc=8
Uт=0,88*
=5,81
Uтc=5,6
Uт=0,88*
=4,74
Uтc=5
Uт=0,88*
=4,12
Uтc=4
Визначаємо передаточне відношення швидкохідної ступені Uв=U/Uтс
Ub=87,96/8=10,99 Ubc=9
Ub=43,67/5,6=7,79 Ubc=8
Ub=29,01/5=5,81 Ubc=5,6
Ub=21,99/4=5,49 Ubc=5,6
Визначаємо стандартне передаточне відношення редуктора Uрс=Uтс*Ubс
Uрс=8*9=72
Uрс=5,6*8=44,8
Uрс=5*5,6=28
Uрс=4*5,6=22,4
Визначаємо
відхилення від стандартного
Uрс=
Uрс1=
Uрс2=
Uрс3=
Uрс4=
Приймаємо двигун P=4 kВт n=720 Ubc=5,6 Uтc=4
Визначаємо число обертів валів
n1=720 об/хв
n2=n1/ Ubc=720/5,6=128,57 об/хв
n3=n2/ Uтc=128,57/4=32,14об/хв
Визначаємо обертаючий момент
Т1=
=
=53,06Н*м
T2=T1*
Ubc*
=53,06*5,6*0,96=285,23Н*м
T3=T2* Utc* =285,23*4=1095,27 Н*м
2 Вибір матеріалів
Для
шестерні сталь 45поліпшена твердість
HB=255МП
в=800МП
т=540МП
hp=565МП
fp=260МП
Для колеса сталь 45нормальна твердість HB=190МП в=570МП т=280МП hp=465МП fp=200МП
Визначаємо еквівалентне число
N
=60*n*c*t*
*t
Для шестерні
N
=60*1*720*15000*(1,6
*0,004+1
*0,2+0,6
*0,8)=2,52*108
Для
колеса N
=
=
Для шестерні
N
=60*1*720*15000*(1,6
*0,004+1
*0,2+0,6
*0,8)=1,97*108
Для
колеса N
=
=
K=1, так,
як N
>
N
hp1=2HB+70=2*255+70=580
hp2=2HB+70=2*190+70=450
[ h]=( hp*K)/S
[ h]1=(565*1)/1,1=513,6МПa
[ h]2=(465*1)/1,1=422,7МПa
[
hр]=0,45*([
h]1+[
h]2)<1,23*[
h]
[ h]=0,45*(513,6+422,7)<1,23*422,7
421<520
Приймаємо [ hр]=421МПа
3 Розрахунок зубчатої передачі
3.1 Швидкохідна ступінь
3.1.1 Міжосьова відстань
а
=k
*(Ub+1)*
=430*(5,6+1)
мм
Приймаємо
стандарту міжосьову відстань а
=140
мм за ГОСТ 2185-66
Ширина
колеса b
=
*
а
=140*0,5=70
мм
3.1.2 Розрахунок модуля зачеплення
m
=(0,01…0,02)*
а
=(0,01…0,02)*140=1,4...2,8
Приймаємо
стандартний модуль m
=2
за ГОСТ 9563-80
3.1.3 Розрахунок кута нахилу
sin
=
=1
sin
=
=5,140
=2
sin
=
=10,340
=3
sin
=
=15,620
Приймаємо кут нахилу =15,620
Z
=
=
Z
=135
Z1=
Z1=20
Z2=Z -Z1=135-20=115
Уточнюємо кут
cos
=
=15,350
Фактичне значення передаточного числа
U
=
U
=
3.1.4 Початковий діаметр шестерні
d
=
мм
Кутова швидкість
V=
=
м/с
