 
        
        - •1. Сбор нагрузки на 1 м2 кровли
- •Сбор нагрузки на 1 м2 кровли
- •2. Подбор сечения прогона из прокатного профиля (швеллер)
- •3. Узловые нагрузки
- •4. Подбор и расчёт двутавровой тельферной балки
- •5. Расчёт фермы
- •5.1. Расчёт усилий в стержнях фермы графоаналитическим
- •5.1.1 Правило построения диаграммы Максвелла-Кремоны для постоянной иснеговой нагрузок.
- •5.1.2. Правило построения диаграммы Максвелла-Кремоны для тельферной нагрузки.
- •5.2. Расчёт усилий в стержнях фермы аналитическим
- •5.2.1. Геометрические размеры элементов
- •5.2.2. Определение опорных реакций.
- •5.2.3. Расчёт усилий в стержнях фермы
- •5.2.3.3. Проводим сечение I-I
- •5.2.3.9. Данные расчёта сводим в таблицу 3.
- •5.2.3. Подбор прокатных уголковых профилей.
- •5.2.3.1. Расчётные длины стержней
- •5.2.3.3. Центрально растянутые стержни.
- •5.2.3.4. Центрально сжатые стержни.
- •5.3. Расчёт длины сварных швов основных элементов фермы
- •Сварные швы поясов
- •5.3.2. Сварные швы опорных раскосов и стоек.
- •5.3.3. Сварные швы раскосов и стоек решетки.
- •5.3.4. Сводная таблица основных параметров элементов фермы
- •6. Расчёт поперечной рамы каркаса
- •6.1. Определение нагрузок на раму
- •6.2. Определенин усилий в стойках рамы.
- •7. Расчёт и конструирование колонны
- •7.1. Расчёт стержня колонны.
- •По полученным значениям mx и X по таблице 73, сНиП II-23-85 определяем коэффициент влияния формы сечения :
- •7.2. Расчёт оголовка колонны
- •7.3. Расчёт базы колонны
Пример выполнения расчётной части Курсового проекта
В. Пименов, В. Ячменёв, КГТУ, кафедра ПГС КГТУ, Калининград. Версия-2013
И сходные
данные:
сходные
данные:
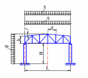
Схема фермы - №1
Пролёт фермы - L=16 м
Длина панели верхнего пояса - d=2,0 м
Левая опорная стойка - h0 =2,0 м
Уклон - i=1/8
Шаг ферм - l=6 м
Сталь марки - 10 ХСНД
Постоянные нормативные нагрузки, , кН/м2
p1; p2; p3; p4 (см. табл.1)
Нормативная нагрузка от тельфера с
Рис.1. Расчётная схема рамы грузом – Tn= 40 кН
Высота колонны – Н = 10 м
Район строительства – г. Киров
Покрытие производственного здания выполнить по прогонам из прокатного профиля. Кровля из панелей типа "сэндвич" с толщиной утеплителя согласно заданию. Снеговая нагрузка - по району строительства.
1. Сбор нагрузки на 1 м2 кровли
Нагрузки представлены в табличной форме (см. таблицу 1.). Временная (снеговая) расчётная нагрузка на 1 м2 кровли определяется по формуле
s = s0∙μ = 3,2∙1 = 3,2 кН/м2
где: s0 - расчётное значение веса снегового покрова на 1 м2 горизонтальной
поверхности, принимаемого по (табл. 10.1. СНиП 2.01.07 -85*) в зависимости
от района строительства
Заданный район строительства – г. Киров. Это V-й снеговой район, для которого
s0 = 3,2 кН/м2;
μ – коэффициент перехода от веса снегового покрова к снеговой нагрузке на
покрытие, зависящий от очертаний кровли. Для бесфонарных зданий с уклоном
кровли ≤ 25°, μ = 1.
Нормативная временная (снеговая) нагрузка - sn= s/γn, где γn =0,7 - коэффициент надёжности при расчётах нормативной нагрзки.
Толщина утеплителя (минеральная вата плотностью ρ = 200 кг/м3) принимается в зависимости от района строительства. Для снеговых районов I и II, δ=100 мм; для снеговых районов III и IV, δ=200 мм и для V-го снегового района , δ=300 мм. Нормативная нагузка на
1 м2 кровли от утеплителя, толщиной 100 мм - p3= 0,2 кН/м2.
Нрмативная нагрузка на 1 м2 кровли от веса прогонов на первом этапе принимается как 10% от суммы постоянных нагрузок за исключением прогонов, т.е.
p4 = 0,1(p1+p2+p3)
Сбор нагрузки на 1 м2 кровли
Таблица 1.
| № п/п | 
 
 Наименование нагрузки | Нормативная нагрузка - pn (sn), 
 кН/м2 
 | Коэффициент надёжности по нагрузке 
 γn | Расчётная нагрузка p(s), кН/м2 
 (3)х(4) | 
| 1 | 2 | 3 | 4 | 5 | 
| А. Постоянные нагрузки | ||||
| 1 | Профнастил, 2 слоя | 0,3 | 1,2 | 0,36 | 
| 2 | Пароизоляция (2 слоя рубероида) | 0,05 | 1,1 | 0,06 | 
| 3 | Утеплитель (минеральная вата, ρ = 200 кг/м3 при толщине δ=300 мм) | 
 0,6 | 
 1,1 | 
 0,66 | 
| 4 | Прогоны стальные | 0,1(0,3+0,05+0,6) = 0,1 | 1,05 | 0,11 | 
| 5 | Всего: | 1,05 | 
 | 1,19 | 
| 
 | 
 | 
 | 
 | 
 | 
| Б. Временная (снеговая) нагрузка | ||||
| 6 | Снеговая нагрузка | 2,24 | 
 | 3,2 | 
| 
 | 
 | 
 | 
 | 
 | 
| 7 | Всего: А+Б | 3,29 | 
 | 4,39 | 
2. Подбор сечения прогона из прокатного профиля (швеллер)
Расчётная схема прогона - балка, свободно опёртая на две соседних фермы и загруженная погонной нагрузкой от веса кровли и веса снега.
Нормативная погонная нагрузка на один прогон, кН/м:
qn = (pn + sn) ∙d =(1,05 + 2,24) ∙2,0 = 6,58;
Расчётная погонная нагрузка на один прогон, кН/м:
q = (p + s) ∙d =(1,19 + 3,20) ∙2,0 = 8,78;
здесь: d=2,0 м - длина панели верхнего пояса (расстояние между узлами верхнего пояса.
Максимальный изгибающий момент в середине пролёта прогона:
Mmax = q∙l2 /8 = 8,78∙62/8 =39,5 кН∙м = 3950 кН∙см; где
l =B =6 м - расстояние между фермами (пролёт прогона)
Требуемый момент сопротивления сечения прогона определяем из условия прочности при изгибе по формуле:
σ
= ≤ Ry∙
γc
- откуда требуемый момент
сопротивления: Wтр
≤ Ry∙
γc
- откуда требуемый момент
сопротивления: Wтр Mmax
/(Ry∙
γc)
Mmax
/(Ry∙
γc)
или - Wтр 3950/(34,5∙1) = 114 см3
здесь: Ry = 34,5 кН/см2 - расчётное сопротивление по пределу текучести для стали марки 10 ХСНД (С375) при толщине фасонного проката 10...20 мм (табл.51 СНиП II-23-85*); γc =1 - коэффициент условий работы.
По требуемому моменту сопротивления Wтр = 114 см3 по сортаменту подбираем швеллер №18 по ГОСТ 8240-72, характеристики которого:
момент инерции - Jx =1090 см4;
момент сопротивления - Wx = 121 см3;
масса 1 пог.м - mпог = 16,3 кг.
Проверяем для выбранного сечения соблюдения условия жёсткости по формуле:
fmax
=  
 =
= 
 = 4,94 см ˃ [f]
=
= 4,94 см ˃ [f]
= 
 =
=
 =3,0 см;
=3,0 см;
где: - fmax -максимальный прогиб (в середине пролёта прогона);
[f] = - нормируемый (допускаемый) прогиб.
qn = 6,58 кН/м = 0,0658 кН/см - нормативная погонная нагрузка;
l =B =6 м = 600 см - расстояние между фермами (пролёт прогона);
Е = 2,06∙104 кН/см2 - модуль упругости стали;
Jx =1090 см4 - момент инерции сечения.
Так как fmax = 4,94 см ˃ [f] = 3,0 см, назначаем швеллер болшего размера, т.е.
№22, характеристики которого:
момент инерции - Jx =2110 см4;
момент сопротивления - Wx = 192 см3;
масса 1 пог.м - mпог = 21,0 кг.
Тогда максимальный прогиб
fmax
= 
 = 2,55 см ˂ [f]
= 3,0 см
= 2,55 см ˂ [f]
= 3,0 см
Условие жёсткости удовлетворяется.
Нормативная фактическая нагрузка на 1 м2 кровли от веса прогонов определяется по формуле:
p4 факт = g∙ mпог∙l∙n / (L∙B) = g∙ mпог∙n /L = 9,81∙21,0∙10-3∙ 9 / 16,0 = 0,12 кН/м2:
где: g=9,81 м/с2 - ускореие силы тяжести;
mпог = 21,0 кг - масса 1 пог.м;
l =В =6,0 м - пролёт прогона (расстояние между фермами);
n = 9 - число прогонов между двумя фермами;
L =16,0 м - пролёт фермы.
Таким образом, нормативная постоянная фактическая нагрузка на 1 м2 кровли
pn факт = p1 +p2 +p3 + p4 факт = 0,3+0,05+0,6+0,12=1,07 кН/м2
Расчётная постоянная фактическая нагрузка на 1 м2 кровли
pфакт = p1∙ γn1 +p2∙ γn2 +p3∙ γn3 + p4 факт ∙ γn4 =
0,3∙1,2+0,05∙1,1+0,6∙1,1+0,12∙1,05=1,20 кН/м2
