- •Введение
- •1. Технологический раздел
- •2. Специальный раздел
- •3. Расчетный раздел
- •4. Раздел организация и эксплуатации службы киПиА
- •5. Раздел экономический
- •6.Раздел безопасности жизнедеятельности и производственная санитария
- •7. Раздел промышленной экологии
- •1. Технологический раздел.
- •1.1. Технология процесса.
- •Вид главного аппарата
- •1.3. Материальные затраты на единицу продукции.
- •2. Специальный раздел
- •2.1.1. Выбор регулируемых величин и каналов внесения регулирующих воздействий.
- •2.1.2 Выбор контролируемых величин
- •2.1.3 Выбор сигнализируемых величин
- •2.1.4 Выбор параметров защиты и блокировки объекта
- •2.1.5 Выбор средств автоматизации для функциональной схемы
- •2.2 Спецификация на средства киПиА
- •2.3. Описание функциональной схемы автоматизации.
- •2.5. Описание монтажной схемы щита.
- •3.6.Описание схемы внешних электрических и трубных проводок.
- •4. Расчетный раздел
- •4.1.1 Расчет оптимальных настроек регулятора
- •3.3 Расчет измерительных схем электронного моста
- •3.4 Расчет измерительных схем электронного потенциометра
- •3.5 Расчет сужающего устройства
- •4.Организация службы киПиА.
- •4.1. Назначение службы эксплуатации киПиА
- •4.2 Организация работ службы киПиА.
- •Права и обязанности мастера и электрослесаря киПиА.
- •4.6 Техническая документация службы эксплуатации киПиА в цехе
- •5.Экономический раздел.
- •5.1 Расчёт спецификации приборов киПиА.
- •5.3 Расчёт капитальных затрат:
- •5.5 Баланс рабочего времени оборудования
- •6.Раздел безопасности жизнедеятельности и производственная санитария
- •6.1 Безопасность жизнедеятельность
- •6.2 Производственная санитария
- •7. Раздел промышленной экологии
- •7.1 Мероприятия по защите окружающей среды согласно сНиПам и госТам
3.3 Расчет измерительных схем электронного моста
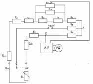
Рисунок №4.Измерительная схема автоматического электронного моста.
При
измерении температуры техническими
термометрам
и
сопротивления в комплексе с ними обычно
работают автоматические электронные
показатели и самопищущие уравновешенные
мосты.
В настоящее время разработаны и выпускаются промышленные автоматические уравновешенные мосты новых серий:
КС – компенсирующие, самопищущие, показатели
КП – компенсирующие, показывающие с полоской шкалой
КВ – компенсирующие, показывающие с цилиндрическим вращающимся циферблатом.
Приборы выполняются одно- и многоточечными, могут иметь встроенное сигнализирующее устройство к. т. их 0,25-1%.
Уравновешенные автоматические мосты выпускаются следующих типов:
КСМ4 – полногабаритный с диаграммной лентой;
КСМ3 – малогабаритный с диаграммной диском;
КСМ2 – малогабаритный с диаграммной лентой;
КСМ1 – миниатюрный с полоской шкалой;
КСМ1 – миниатюрный с диаграммной лентой;
КВМ1 – миниатюрный с вращающимся цилиндрическим циферблатом (шкалой).
Эти приборы сходны по своему устройству с соответствии автоматическими потенциометрами типов КСП4, КСА3, КСП2, КСП1, КПП1, КВП1.
На
рисунке показана принципиальная схема
автоматического моста КСМ4
с термометром сопротивления Rт,
присоединенными по трех проводной
схеме. В измерительную схему прибора,
являющуюся типовой для автоматических
мостов, включены: уравновешенный резистор
Rр
который ограничивает ток расхода;
резисторы Rн
и
Rк
определяющие
соответственно начальное и конечное
значение (диапазон показывающий) шкалы;
резисторы (спирали) rн
и rк
,
предназначенные для точной подготовки
шкалы и являющиеся частями резисторов
Rн
и
Rк
;
постоянные плечи моста R1
и
R2
;
переменное плечо моста – термометр
сопротивления Rт
;
балластный резистор Rб
,
ограничивающий протекающий ток через
плечи моста с целью обеспечения
минимального нагрева термометра
сопротивления подгоночные резисторы
Rп1
и
Rп2
,
доводящие сопротивление каждого из
проводов соединительной линии Rл
до
назначения 2,5 Ом / = 5 Ом, принимаемого
при градуировки шкалы автоматических
управляющих мостов.
Усилие напряжения разбаланса измерительной схемы производится электронным усилителем переменного тока ЗУ, включенным в диагональ АВ. Питание измерительной схемы происходит через диагональ СД переменным током напряжения 6,3 В, частотой 50 Гц от силового трансформатора электронного усилителя.
Для перемещения подвижной каретки с отчетного устройства ОУ с расположенным на ней с токосменным движком реохорда Rр , указателем и пером служит асинхронным реверсивным микродвигателем РД подключенный к выходу электронного усилителя.
Привод диаграммной ленты отсчетного устройства осуществляется синхронным микродвигателем СД.
При разбалансе измерительной схемы вследствие измерения температуры термометра Rт, в диагонали АВ моста появляется напряжение переменного тока, которое после усиления в электронном двигателе заставляет реверсивный двигатель переместить подвижную каретку с отсчетного устройства вместе с движком реохорда в ту или другую сторону до нового состояния равновесия схемы. После этого реверсивный двигатель останавливается.
Расчет измерительной схемы автоматического управления моста производится следующим образом:
По
заданным значениям начальной tн
и конечной tк
температуры
диапазона показаний прибора и типу.
Температура сопротивления по характеристике
последнего значения сопротивлений
температура для начала Rтн
и
конца Rтк
шкалы.Для
получения наибольшей чувствительности
управления моста выбирается покорно
равноплечий, из которого
и
Сопротивление плеч моста R2 и R3 обычно заданы в пределах 100-300 Ом. Наиболее часто их значение принимаются равные 300 Ом.
Эквивалентное сопротивление Rэ, реохорда с шунтирующим резистором, равным 90, 100 и 300 Ом. ТО величина Rш зависит от сопротивления реохорда и определяется при подгонке последнего вместе с шунтом до величины Rэ. Принимаются сопротивления резистора Rн , определяющего начальное значение шкалы моста равным 4-10 Ом (обычно 4,5 Ом).
Градуировка-100М
Tн=0-1000С
tн=0оС
tк=100оС
R min=53 Ом=Rтн
Rmax=75,58Ом=R тк
R2=R3=150
Ом
Rэ, =90 Ом
Rн=4,5 Ом
Rл=5 Ом
Определяем сопротивление плеча моста R1, по формуле:
(22)
[4]
где:
(23)
[4]
Находится приведённое сопротивление Rн цепи реохорда состоящее из соединенных параллельно сопротивлений реохорда Rр, резисторов Rш и Rк. Для этого из условия равновесии измерительной схемы моста соответственно для правого крайних положений движка реохорда составляются уравнением.
(24)
[4]
После вычитания второго уравнения из первого и решения полученного выражения относительно Rп образуется зависимость:
(25) [4]
Находится сопротивление резистора Rк, определяющего конечное значение шкалы моста:
(26)
[4]
Принимаем максимальное значение тока Imax. протекающего через термометр сопротивления 0,007А
Вычисление сопротивления балластного резистора Rб может быть выполнено по формуле:
(27)
[4]
Ом
где U – напряжение питания измерительной схемы моста равное 6,3В.
Однако обычное сопротивления резистора Rб без вычисления принимает равным 450 Ом.
