 
        
        - •Аннотация
- •Содержание
- •Введение
- •Глава I. Изоляционные конструкции
- •Вводы высокого напряжения
- •Электрический расчет ввода 132кВ с бми конденсаторного типа
- •Тепловой расчет ввода
- •Кабели высокого напряжения. Общие сведения.
- •1.2.1. Силовые кабели с поясной изоляцией
- •1.2.2. Электрический расчет кабеля.
- •Исходные данные:
- •1.2.3.Тепловой расчет кабеля.
- •1.3. Подвесные высоковольтные изоляторы
- •Стеклянные изоляторы
- •Фарфоровые изоляторы
- •Распределение напряжения вдоль гирлянды изоляторов
- •Расчет гирлянды напряжением 220кВ
- •Глава II. Потенциал ветроэнергетики в намибии
- •2.1. Демография Намибии
- •2.2. Ситуация энергетики в Намибии
- •2.4. Ветровая аккумулирующая электростанция
- •2.4.1. Описание изобретения
- •2.4.2.Принцип работы
- •2.4.3.Формула изобретения
- •Глава III. Меры безопасности при выполнении работ на электродвигателе
- •Заключение
- •Список используемой литературы
2.4. Ветровая аккумулирующая электростанция
Использование: в электростанциях, преобразовывающих ветровую энергию в электрическую. Сущность изобретения: ветровая аккумулирующая электростанция содержит несколько ветроэнергетических установок, каждая из которых включает ветродвигатель, кинематически связанный с ним компрессор, а также систему трубопроводов для подачи сжатого воздуха от ветроэнергетических установок к турбинам, кинетически связанным с электрическими генераторами, снабжена маховиками с лопатками и дополнительными компрессорами, кинематически связанными с маховиками с помощью включаемых муфт сцепления, при этом система трубопроводов снабжена соплами для подачи сжатого воздуха на лопатки маховиков и турбин, а также задвижками и датчиками давления и частоты вращения для регулирования подачи сжатого воздуха на лопатки турбин и маховиков.
2.4.1. Описание изобретения
Изобретение относится к ветроэнергетике, в частности к электростанциям, способным преобразовывать с больших площадей ветровую энергию в электрическую.
Известна ветроэнергетическая станция, содержащая башни, установленные на них ветродвигатели и кинематически связанные с последними электрогенераторы.[1]
Однако эта ветроэнергетическая станция имеет низкий КПД и не может работать при отсутствии ветра.
Известна ветровая аккумулирующая электростанция, содержащая несколько ветроэнергетический установок, каждая из которых включает ветродвигатель и кинематически связанный с ним компрессор, а также систему трубопроводов для подачи сжатого воздуха от ветроэнергетических установок к турбинам, кинематически связанным с электрическими генераторами [2] Однако эта ветровая аккумулирующая электростанция имеет низкий КПД и ограниченные эксплуатационные возможности.
Изобретение направлено на повышение КПД ветровой аккумулирующей электростанции, расширение эксплуатационных возможностей и улучшение экологической обстановки, т.к. дополнительно она является средством светозащиты, ветрозащиты и защиты от проникновения холодных северных ветров в другие районы.
Для решения этой задачи ветровая аккумулирующая электростанция, содержащая несколько ветроэнергетических установок, каждая из которых включает ветродвигатель и кинематически связанный с ним компрессор, а также систему трубопроводов для подачи сжатого воздуха от ветроэнергетических установок к турбинам, кинематически связанным с электрическими генераторами, снабжена маховиками с лопатками и дополнительными компрессорами, кинематически связанными с маховиками с помощью включаемых муфт сцепления, при этом система трубопроводов снабжена соплами для подачи сжатого воздуха на лопатки маховиков и турбин, а также задвижками и датчиками давления и частоты вращения для регулирования подачи сжатого воздуха на лопатки турбин и маховиков.
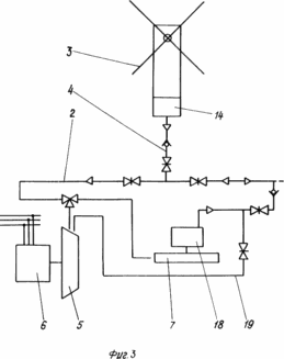
На фиг.1 изображена блочно-модульная схема ветровой аккумулирующей электростанции, размещенной на значительной территории; на фиг.2 отдельный модуль ветровой аккумулирующей электростанции; на фиг.3 принципиальная схема ветровой аккумулирующей электростанции; на фиг.4 ветроэнергетическая установка; на фиг.5 маховик с компрессором; на фиг.6 вид по стрелке А на фиг.5.
| 
			 | 
			 | 
			 | 
| 
 | 
 | 
 | 
| 
			 | 
			 | 
			 | 
Ветровая аккумулирующая электростанция содержит систему модулей 1, соединенных между собой магистральными трубопроводами 2, ветроэнергетические установки 3 и воздушные трубопроводы 4. Соединение модулей 1 создает блочно-модульную схему, которая может иметь вид сетки, охватывающей значительные территории. Блочно-модульная конструкция может иметь вид замкнутой линии, которая находится на берегу морей и океанов. Плотность модулей 1 в общей блочно-модульной схеме зависит от наличия потребителей электрической энергии и расположения населенных пунктов. Каждый модуль 1 имеет условное обозначение в виде А1, А2, Аn( модули первого ряда), Б1, Б2, Бn (модули второго ряда) и т.д. Такая разветвленная блочно-модульная схема позволяет маневрировать воздушным потоком при отсутствии ветра в одном районе (например, модуль K1) и сильном ветре в районах модулей А1 и Б1. При этом часть сжатого воздуха, вырабатываемого ветроэнергетической установкой по воздушным трубопроводам 4 и магистральным трубопроводам 2 (эти трубопроводы образуют систему трубопроводов для подачи сжатого воздуха от ветроэнергетических установок к турбинам), направляется к модулю К1. Этот модуль может работать при отсутствии в его окружении ветра.
В состав каждого модуля 1 входят несколько ветроэнергетических установок 3, которые располагаются вокруг модуля и связаны с ним посредством системы трубопроводов. Внутри каждого модуля 1 установлены турбина 5, кинематически связанная с электрическим генератором 6, маховики 7 с лопатками 8, осуществляющие преобразование энергии сжатого воздуха в кинетическую энергию вращающихся моховиков.
Ветроэнергетическая установка 3 состоит из лопастей 9, флюгера 10, конической передачи 11, вертикального вала 12, кривошипа 13, компрессора 14 и металлоконструкции 15. Компрессор 14 имеет два цилиндра, в которых возвратно-поступательное движение поршней преобразуется в энергию сжатого воздуха. Компрессор 14 установлен в основании ветроэнергетической установки. Сжатый воздух из компрессора 14 через выпускные клапаны поступает в воздушный трубопровод 4. Проходя обратный клапан, сжатый воздух поднимает давление в системе трубопроводов, при этом открывается задвижка, которая позволяет сжатому воздуху поступать в магистральный трубопровод 2. Управление задвижками и регулирование движением сжатого воздуха осуществляются посредством датчиков давления. Обратный клапан служит для предотвращения поступления сжатого воздуха из магистрального трубопровода 2 к ветроэнергетической установке 3.
Сжатый воздух поступает на турбину 5 через сопла 16, которые равномерно установлены вокруг турбины. Струя сжатого воздуха воздействует на лопатки турбины и раскручивает ее до определенной частоты вращения. При этом генератор 6 вырабатывает электрическую энергию. Часть сжатого воздуха через сопла 16 поступает на лопатки 8 маховика 7 (первого маховика), который также раскручивается до номинальной частоты вращения. Датчик частоты вращения маховика переключает подачу сжатого воздуха к следующему маховику. Раскручивание нескольких (их может быть три и более, это зависит от мощности электростанции) маховиков позволяет преобразовывать энергию сжатого воздуха в кинетическую и аккумулировать эту энергию. После раскручивания всех маховиков 7 модуля 1, снижения давления воздуха и частоты вращения турбины включаются муфты сцепления 17, которые аккумулированную кинетическую энергию передают дополнительным компрессорам 18. Сжатый воздух из дополнительного компрессора 18 через трубопровод 19 поступает к турбинам 5 генераторов 6. Дополнительные компрессоры 18 имеют устройство, аналогичное компрессорам 14.

 
 
 
 
 
